Kickstart your Riding Season with Bike Prep and Riding Gear Shop Now
CLOSE
Shipping to US Flag United States
Free shipping over $79
Fast Cash Week | Earn $10 When you Spend $99 + $25 When You Spend $199 Shop Now

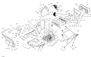
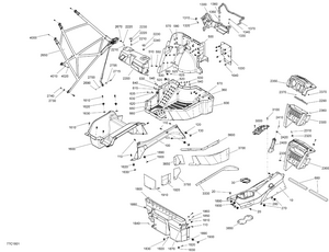
2018 Can-Am COMMANDER 800R EFI OEM Parts

Set this as my ride

View all parts for your 2018 Can-Am COMMANDER 800R EFI

00- Model Numbers 01- Cooling Commander - Non Max 01- Crankcase - 800R EFI 01- Crankshaft, Piston And Cylinder - 800R EFI 01- Cylinder Head, Front - 800R EFI 01- Cylinder Head, Rear - 800R EFI 01- Engine Commander Non MAX - 800 EFI 01- Engine Cooling - 800R EFI 01- Engine Lubrication - 800R EFI 01- Exhaust Commander 01- Gear Box And Components 420686650 02- Air Intake Commander 02- Air Intake Manifold And Throttle Body - 800R EFI 02- Fuel - Commander And Maverick 03- Magneto And Electric Starter - 800R EFI 05- Gear Box 1 - 420686650 05- Gear Box 2 - 420686650 05- Transmission - 800R EFI 06- Brakes - Commander - Model 800R 07- Front Drive - Commander 07- Front Suspension Commander 07- Shocks Commander - Package DPS 07- Shocks Commander - Package STD 07- Shocks Commander - Package XT 07- Steering Commander - All Models Except Package STD 07- Steering Commander - Package STD 07- Wheels And Tires Commander - Package DPS 07- Wheels And Tires Commander - Package STD 07- Wheels And Tires Commander - Package XT 08- Drive Shaft - 800R EFI 08- Rear Drive Commander 08- Rear Suspension Commander 09- Accessories - Police Package 09- Body And Accessories Commander Non MAX - Central Break Up Country Camo Models 09- Body And Accessories Commander Non MAX - Central Bright White Models 09- Body And Accessories Commander Non MAX - Central Brushed Aluminium Models 09- Body And Accessories Commander Non MAX - Central Intense Red Models 09- Body And Accessories Commander Non MAX - Central Squadron Green Models 09- Body And Accessories Commander Non MAX - Front Break Up Country Camo Models 09- Body And Accessories Commander Non MAX - Front Bright White Models 09- Body And Accessories Commander Non MAX - Front Brushed Aluminium Models 09- Body And Accessories Commander Non MAX - Front Intense Red Models 09- Body And Accessories Commander Non MAX - Front Squadron Green Models 09- Cab Interior Commander Non MAX - Cab 09- Cab Interior Commander Non MAX - Side Panels All Models 09- Decals Commander Non MAX 800R - Package DPS 09- Decals Commander Non MAX 800R - Package STD 09- Decals Commander Non MAX 800R - Package XT 09- Frame Commander Non MAX 09- Mirrors And Tools Commander 09- Rear Cargo Box Commander 09- Seat Commander Non MAX 10- Electrical Harness Commander 800R EFI 10- Electrical System Commander - All Models Except LTD 10- Engine Harness And Electronic Module - 800R EFI 10- Main Harness - 710005661 - Commander Non MAX