Kickstart your Riding Season with Bike Prep and Riding Gear Shop Now
CLOSE
Shipping to US Flag United States
Free shipping over $79
Moto Madness Sale | Get Up To 65% Off Parts & Gear Shop Now

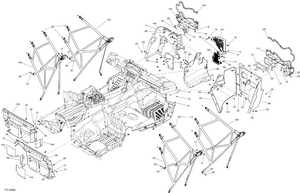
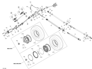
2014 Can-Am MAVERICK MAX 1000 - STD, XRS, XRS-DPS OEM Parts

Set this as my ride