Kickstart your Riding Season with Bike Prep and Riding Gear Shop Now
CLOSE
Shipping to US Flag United States
Free shipping over $79
My Ride: 2017 Can-Am OUTLANDER MAX 650 XT
Moto Madness Sale | Get Up To 65% Off Parts & Gear Shop Now

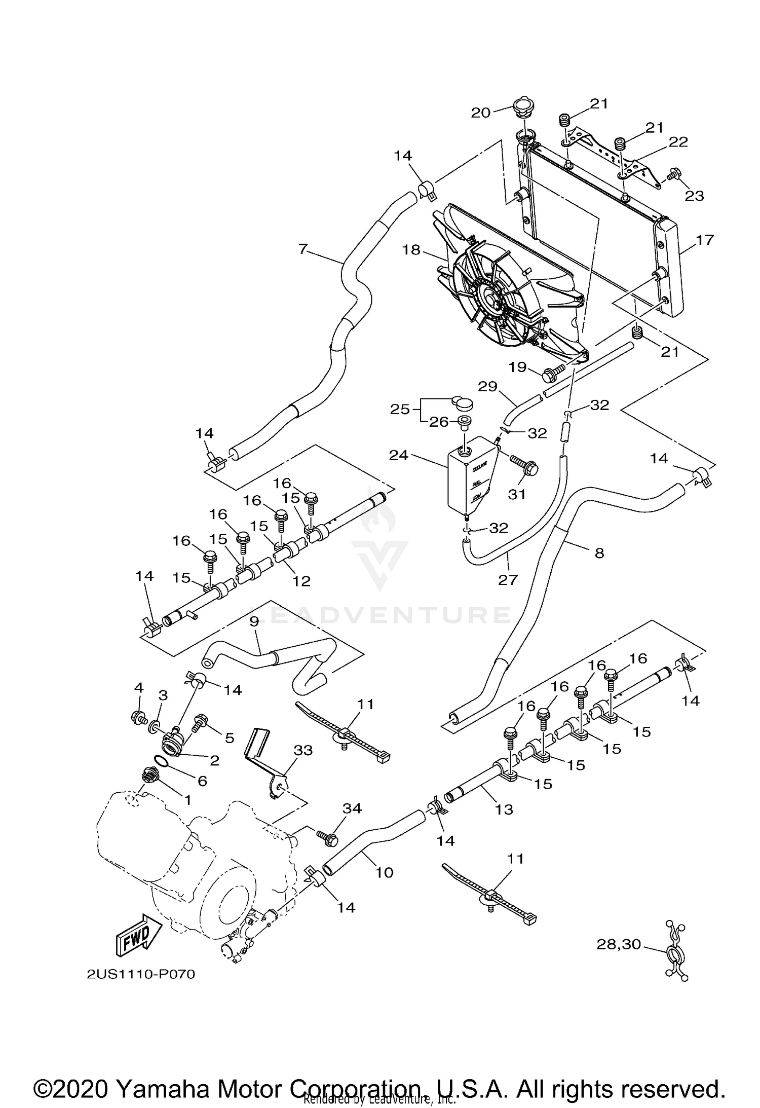
2020 Yamaha VIKING VI EPS HUNTER RADIATOR HOSE

Set this as my ride
RADIATOR HOSE

WARNING Cancer and Reproductive Harm www.P65Warnings.ca.gov.

Added to your cart
CLOSE