Tire Rebates! Get Up To $70 Back Shop Now
CLOSE
Shipping to US Flag United States
Free shipping over $79
My Ride: 2020 Polaris RANGER XP 1000
Moto Madness Sale | Get Up To 65% Off Parts & Gear Shop Now

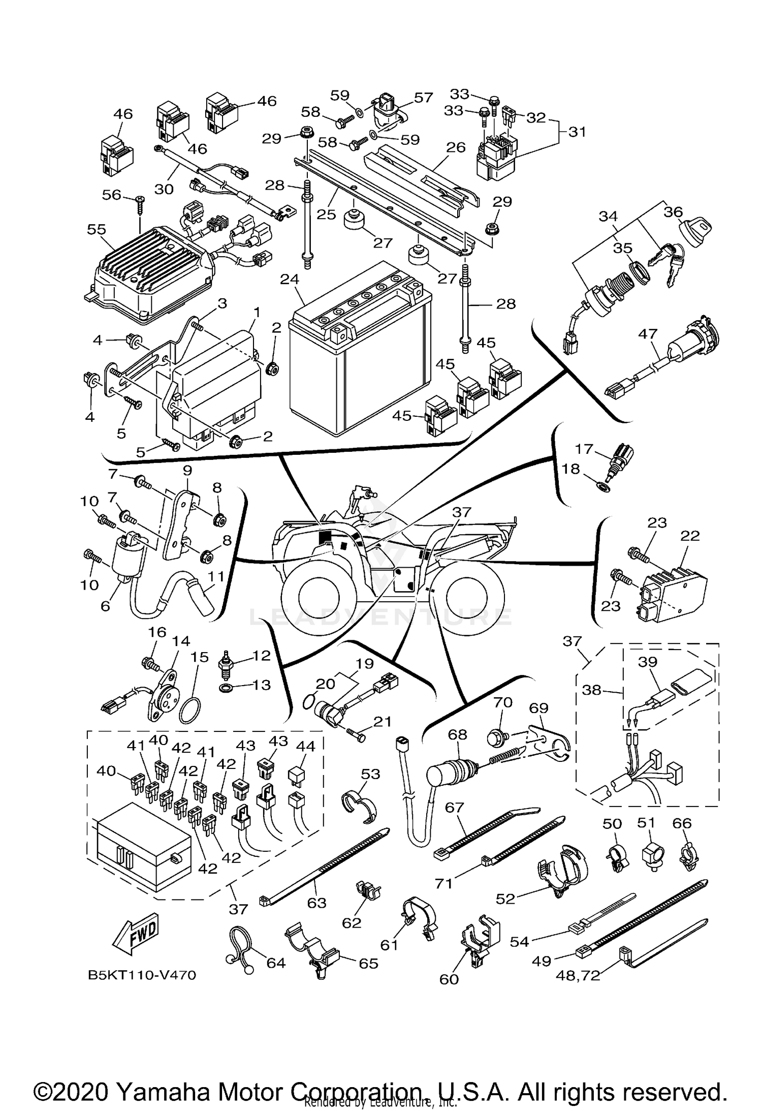
2020 Yamaha KODIAK 700 EPS 4WD SPECIAL EDITION ELECTRICAL 1

Set this as my ride
ELECTRICAL 1

WARNING Cancer and Reproductive Harm www.P65Warnings.ca.gov.

Added to your cart
CLOSE