Tire Rebates! Get Up To $70 Back Shop Now
CLOSE
Shipping to US Flag United States
Free shipping over $79
My Ride: 2012 Can-Am OUTLANDER MAX 400 XT
Moto Madness Sale | Get Up To 65% Off Parts & Gear Shop Now

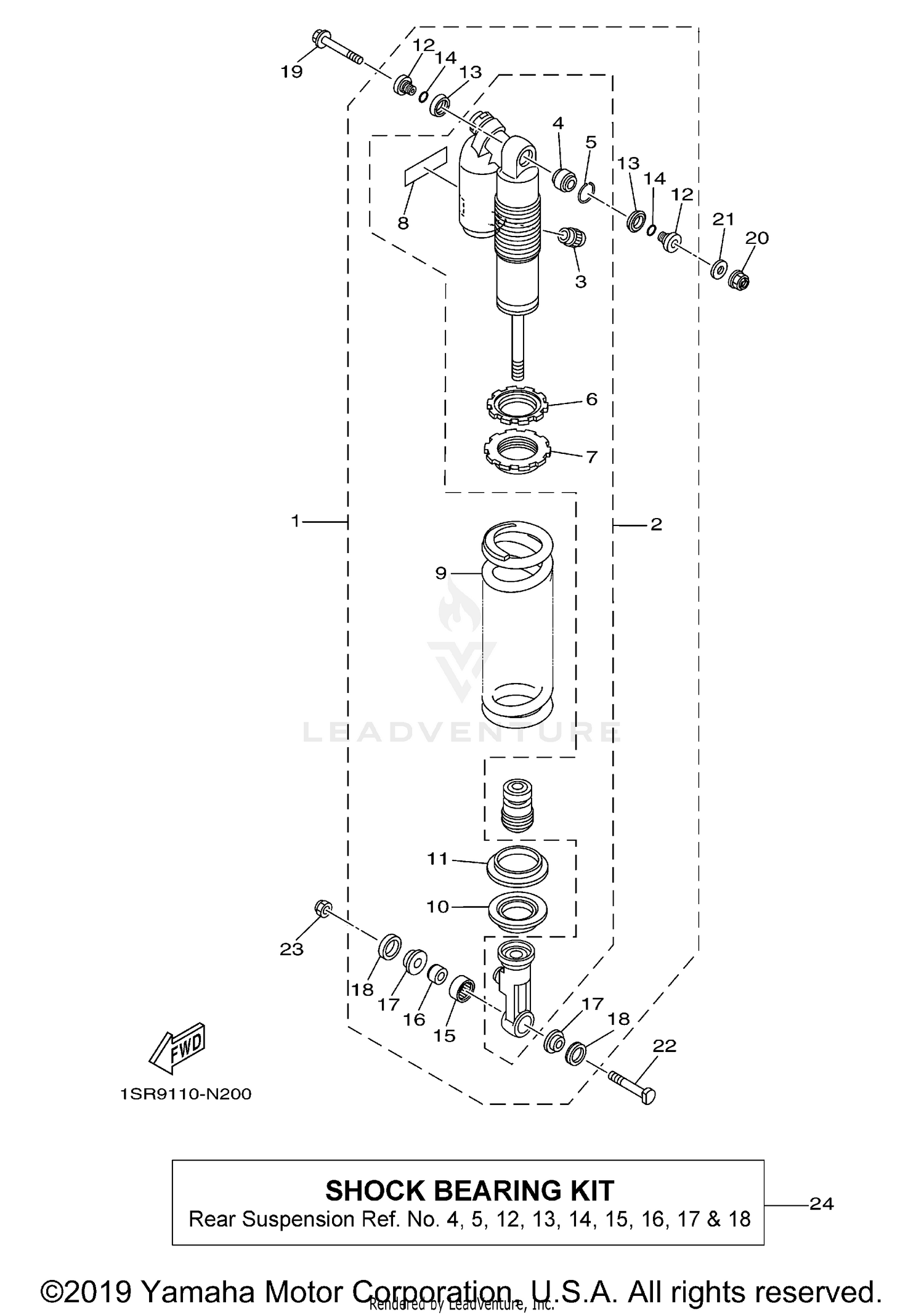
2019 Yamaha YZ125 REAR SUSPENSION

Set this as my ride
REAR SUSPENSION

WARNING Cancer and Reproductive Harm www.P65Warnings.ca.gov.

Added to your cart
CLOSE