Renthal Deal! Up To 10% Off Shop Now
CLOSE
Shipping to US Flag United States
Free shipping over $79
My Ride: 2012 Can-Am OUTLANDER MAX 650 XT
Moto Madness Sale | Get Up To 65% Off Parts & Gear Shop Now

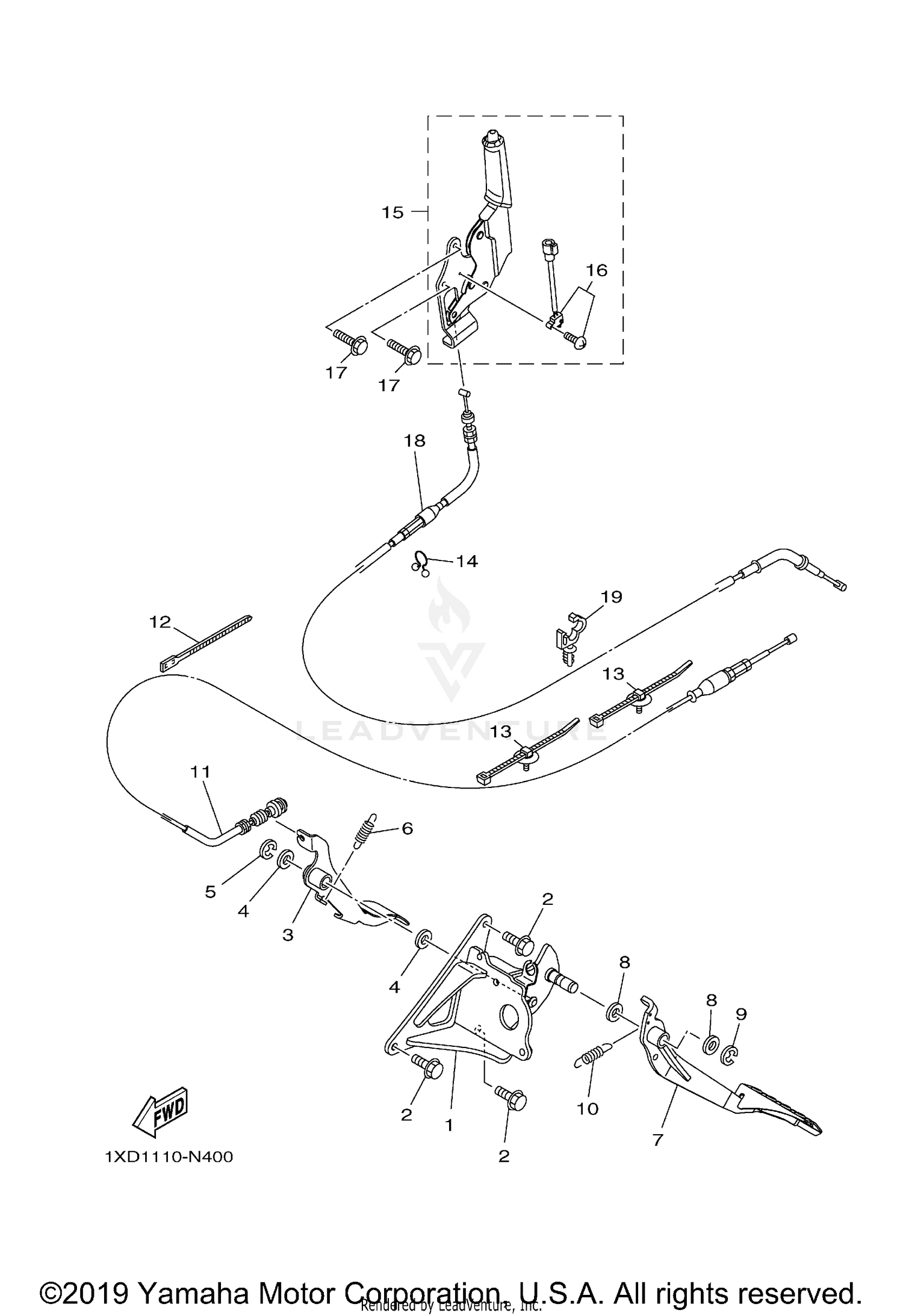
2019 Yamaha VIKING VI EPS HUNTER PEDAL WIRE

Set this as my ride
PEDAL WIRE

WARNING Cancer and Reproductive Harm www.P65Warnings.ca.gov.

Added to your cart
CLOSE