Get Out and Ride | Dialed Gear. Tuned Parts. Dirt Ready. Shop Now
CLOSE
Shipping to US Flag United States
Free shipping over $79
My Ride: 2012 Yamaha YFZ450
BOGOS | Buy One Get One Deals Shop Now

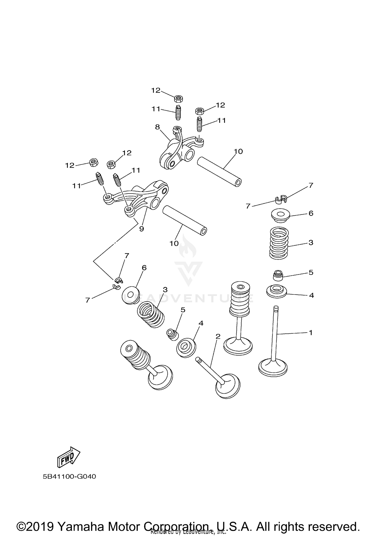
2019 Yamaha VIKING EPS HUNTER VALVE

Set this as my ride
VALVE

WARNING Cancer and Reproductive Harm www.P65Warnings.ca.gov.

Added to your cart
CLOSE