Tire Rebates! Get Up To $70 Back Shop Now
CLOSE
Shipping to US Flag United States
Free shipping over $79
My Ride: 2002 Harley Davidson Softail Deuce - FXSTD
Moto Madness Sale | Get Up To 65% Off Parts & Gear Shop Now

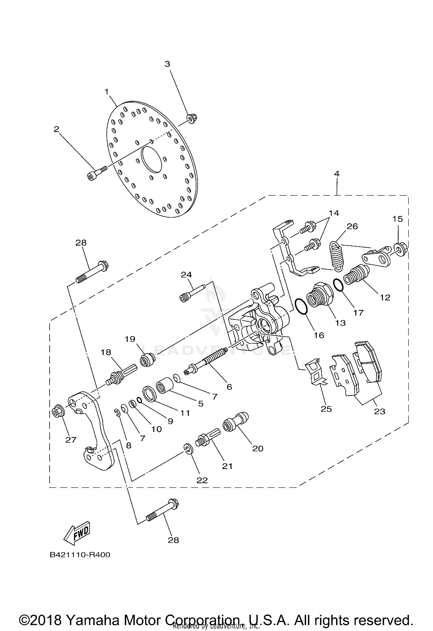
2018 Yamaha VIKING VI EPS REAR BRAKE CALIPER 2

Set this as my ride
REAR BRAKE CALIPER 2

WARNING Cancer and Reproductive Harm www.P65Warnings.ca.gov.

Added to your cart
CLOSE