Renthal Deal! Up To 10% Off Shop Now
CLOSE
Shipping to US Flag United States
Free shipping over $79
My Ride: 1990 Harley Davidson Electra Glide Classic - FLHTC
Moto Madness Sale | Get Up To 65% Off Parts & Gear Shop Now

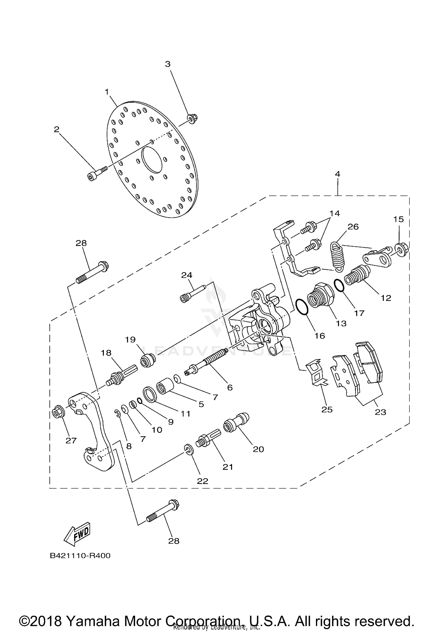
2017 Yamaha VIKING EPS HUNTER REAR BRAKE CALIPER 2

Set this as my ride
REAR BRAKE CALIPER 2

WARNING Cancer and Reproductive Harm www.P65Warnings.ca.gov.

Added to your cart
CLOSE