Get Out and Ride | Dialed Gear. Tuned Parts. Dirt Ready. Shop Now
CLOSE
Shipping to US Flag United States
Free shipping over $79
BOGOS | Buy One Get One Deals Shop Now

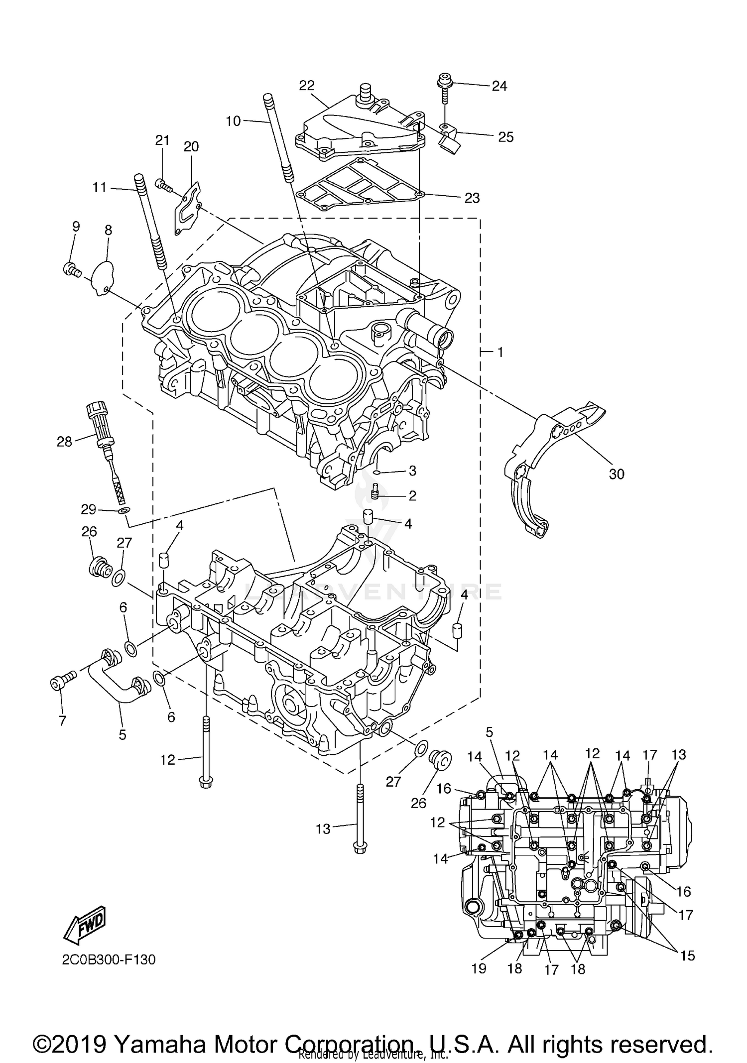
2012 Yamaha YZF-R6 CRANKCASE

Set this as my ride
CRANKCASE

WARNING Cancer and Reproductive Harm www.P65Warnings.ca.gov.

Added to your cart
CLOSE