FMF Exhausts Up To 10% Off Shop Now
CLOSE
Shipping to US Flag United States
Free shipping over $79
Moto Madness Sale | Get Up To 65% Off Parts & Gear Shop Now

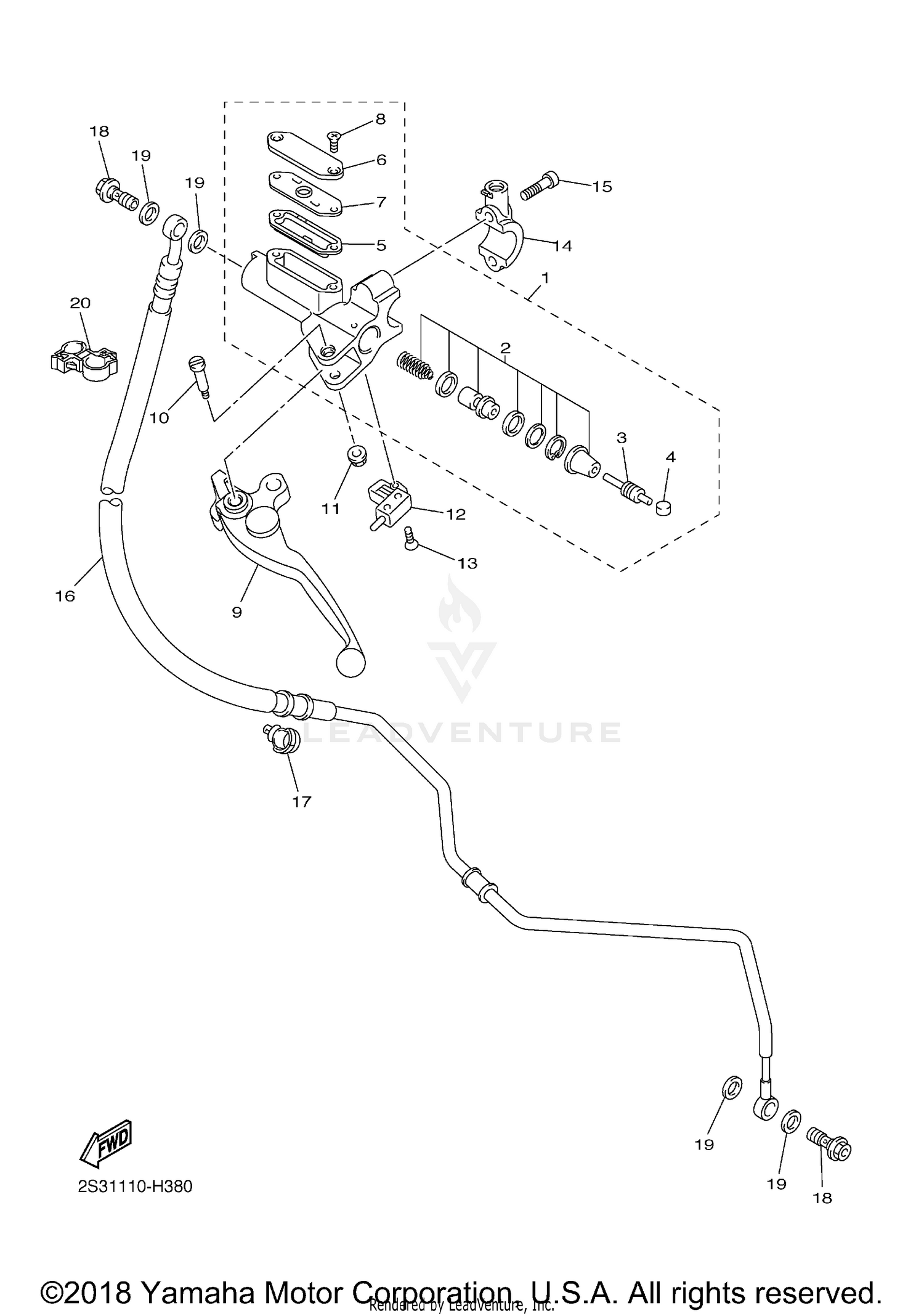
2011 Yamaha VMAX 1200 - VMX17 FRONT MASTER CYLINDER 2

Set this as my ride
FRONT MASTER CYLINDER 2

WARNING Cancer and Reproductive Harm www.P65Warnings.ca.gov.

Added to your cart
CLOSE