Renthal Deal! Up To 10% Off Shop Now
CLOSE
Shipping to US Flag United States
Free shipping over $79
My Ride: 2020 Cfmoto CFORCE 500S
Moto Madness Sale | Get Up To 65% Off Parts & Gear Shop Now

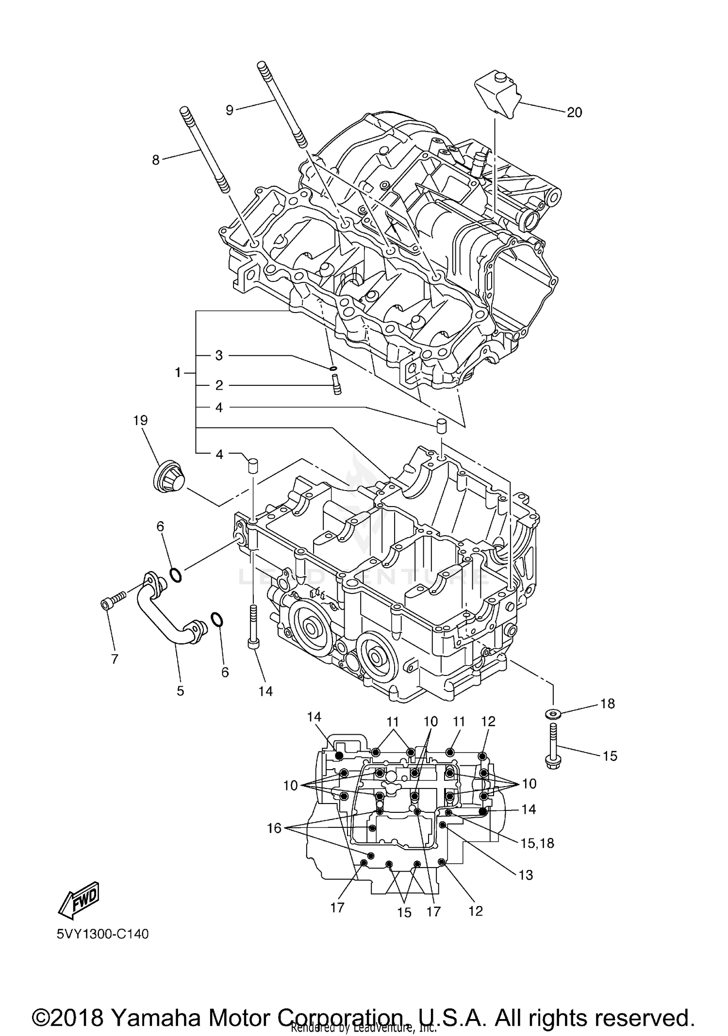
2009 Yamaha FZ1 - FZS1000 CRANKCASE

Set this as my ride
CRANKCASE

WARNING Cancer and Reproductive Harm www.P65Warnings.ca.gov.

Added to your cart
CLOSE