Renthal Deal! Up To 10% Off Shop Now
CLOSE
Shipping to US Flag United States
Free shipping over $79
My Ride: 2019 Textron STAMPEDE
Moto Madness Sale | Get Up To 65% Off Parts & Gear Shop Now

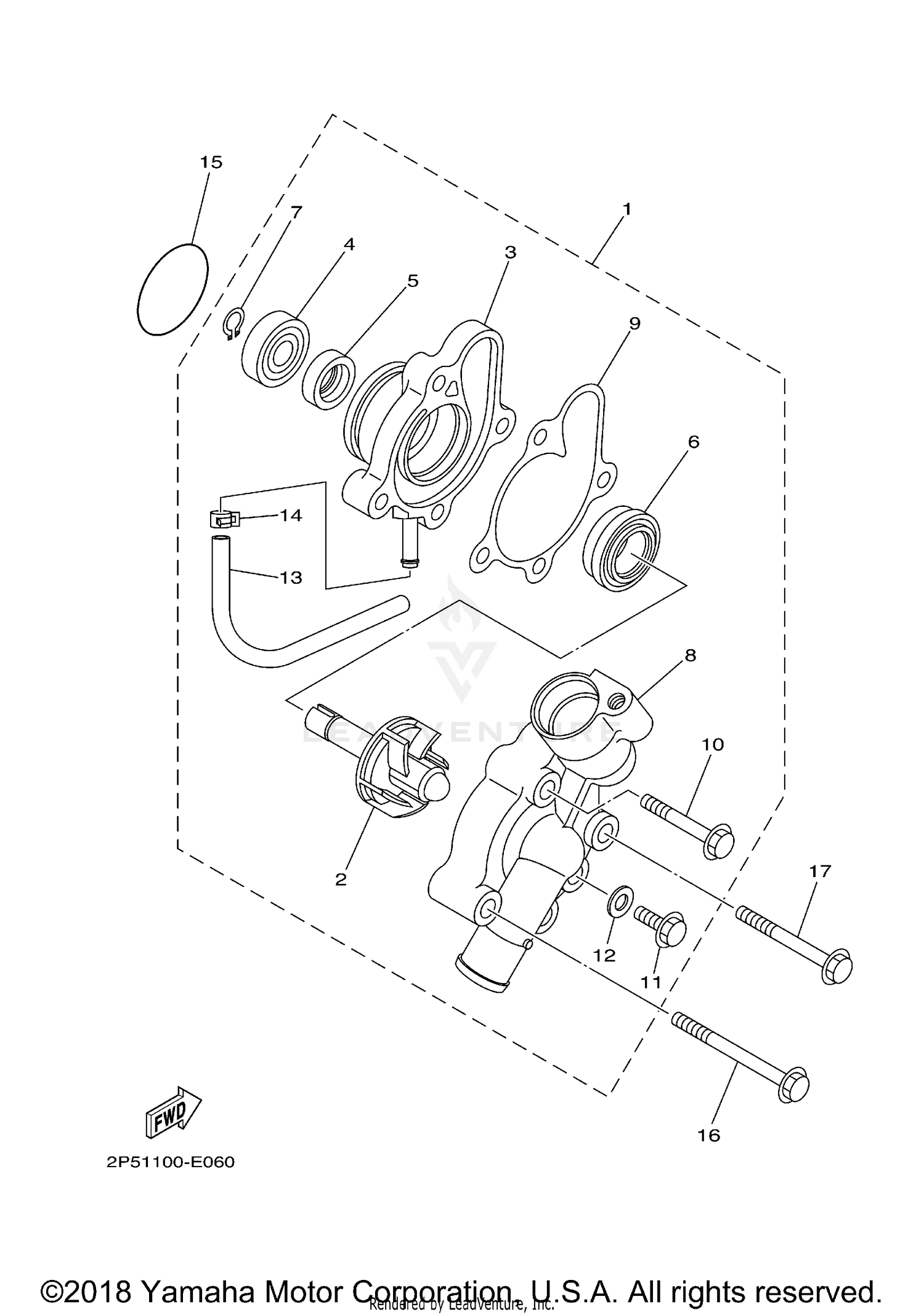
2007 Yamaha RHINO 450 WATER PUMP

Set this as my ride
WATER PUMP

WARNING Cancer and Reproductive Harm www.P65Warnings.ca.gov.

Added to your cart
CLOSE