Acerbis Plastic Kits Starting At $119.99 Shop Now
CLOSE
Shipping to US Flag United States
Free shipping over $79
Fast Cash Week Ends Today! | Earn $10 When you Spend $99 + $25 When You Spend $199 Shop Now

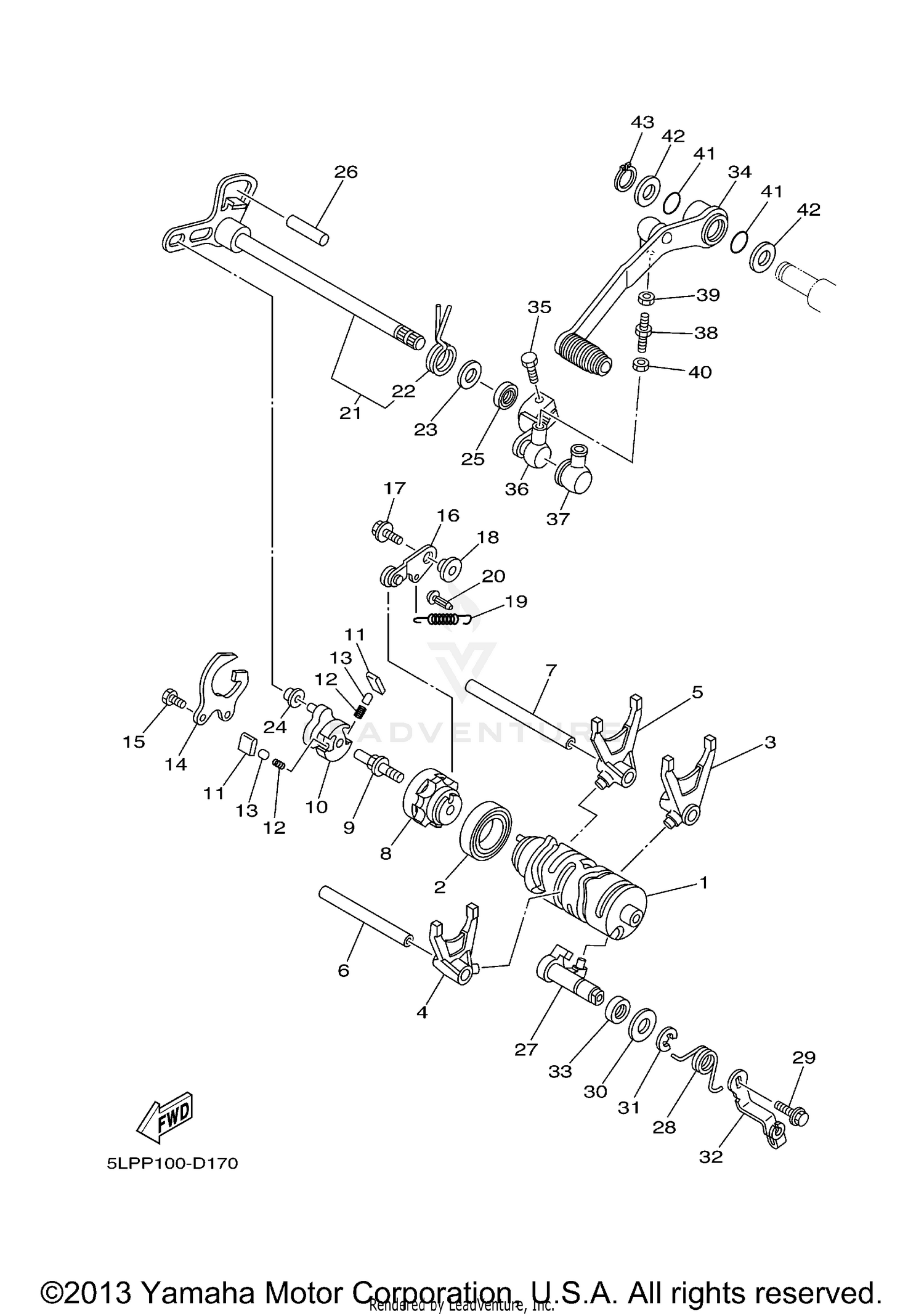
2005 Yamaha RAPTOR 660 SHIFT CAM FORK

Set this as my ride
SHIFT CAM FORK

WARNING Cancer and Reproductive Harm www.P65Warnings.ca.gov.

Added to your cart
CLOSE