HOT DEAL! 100% | Up To 40% Off Shop Now
CLOSE
Shipping to US Flag United States
Free shipping over $79
My Ride: 2009 Polaris SPORTSMAN XP 550 EFI 4X4
Spring Sale Bargain Bin Save 40% - 90% Off! Shop Now

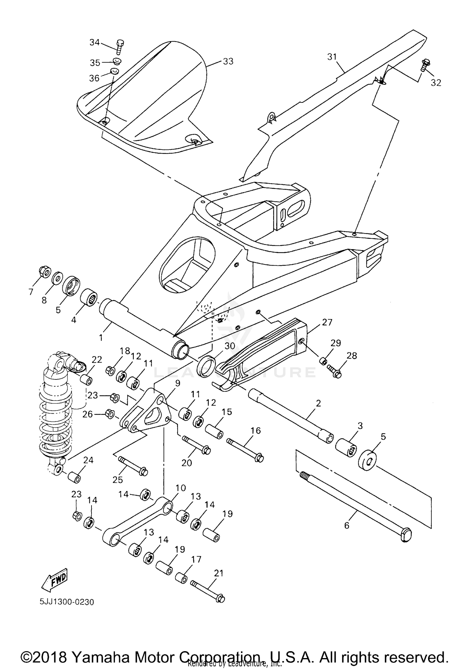
2000 Yamaha YZF-R1 REAR ARM

Set this as my ride
REAR ARM

WARNING Cancer and Reproductive Harm www.P65Warnings.ca.gov.

Added to your cart
CLOSE