Kickstart your Riding Season with Bike Prep and Riding Gear Shop Now
CLOSE
Shipping to US Flag United States
Free shipping over $79
My Ride: 2014 Can-Am OUTLANDER MAX 400
Moto Madness Sale | Get Up To 65% Off Parts & Gear Shop Now

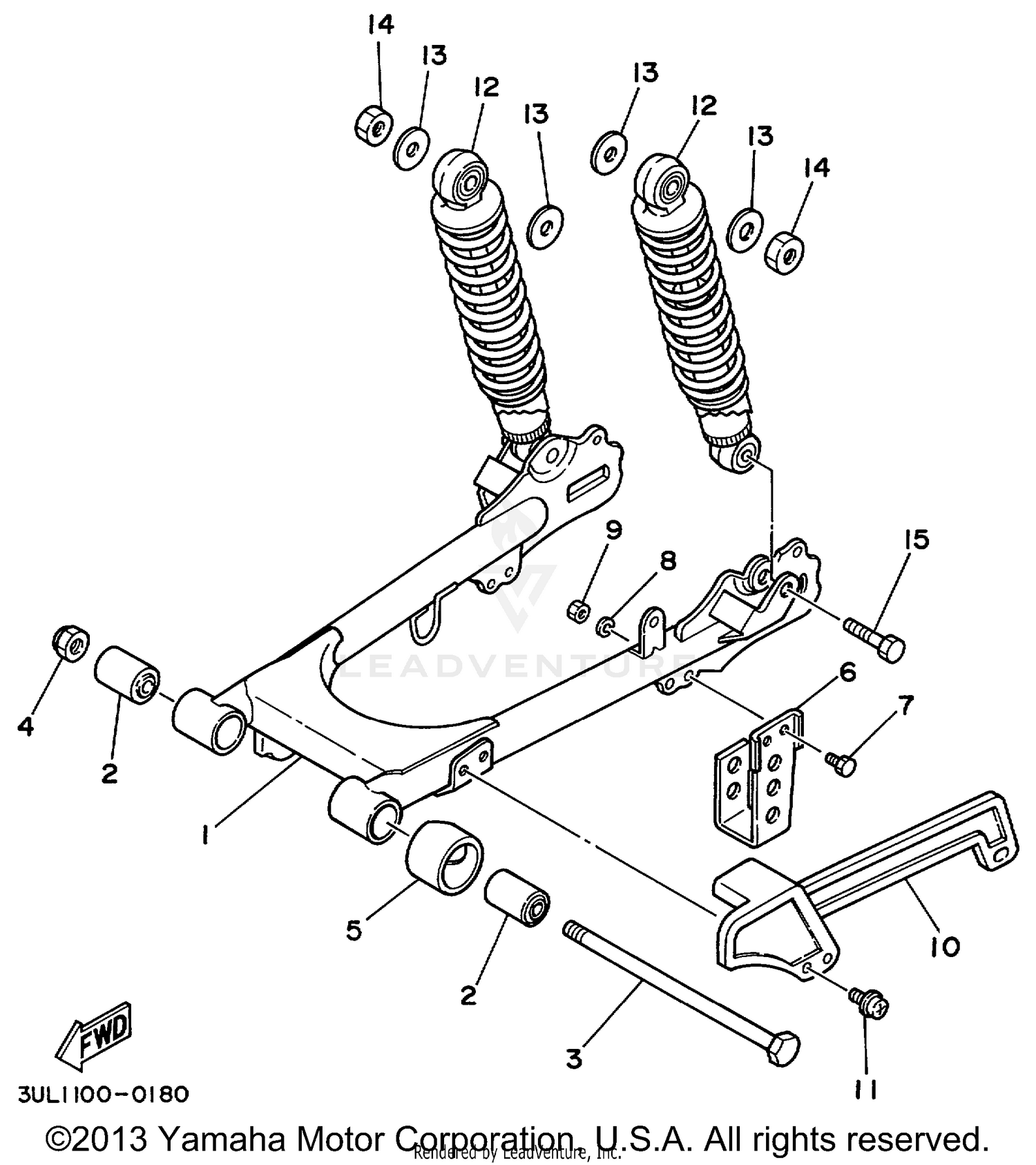
1999 Yamaha RT100 REAR ARM SUSPENSION

Set this as my ride
REAR ARM SUSPENSION

WARNING Cancer and Reproductive Harm www.P65Warnings.ca.gov.

  • # Part Retail Our Price
    Stock Status Suggested Quantity
  • 1
    3UL-22110-00-35 rear arm comp. SL
    This part is currently unavailable.
  • 2
    276-22123-00-00 bush 1 Retail: $42.99 Price: $36.97
    In Stock
  • 3
    2J5-25381-01-00 axle, wheel Supersedes: 401-22141-00-00 (SHAFT, PIVOT)
    This part is currently unavailable.
  • 4
    95717-12300-00 nut, flange Supersedes: 90185-12801-09 (NUT, FLANGE) Price: $9.76
    In Stock
  • 5
    4L0-22151-00-00 seal, guard Retail: $24.99 Price: $21.49
    Expected to Ship in 5-8 Days
  • 6
    492-22153-00-33 guard, chain YB
    This part is currently unavailable.
  • 7
    97017-06014-00 bolt Supersedes: 97026-06014-00 (BOLT) Price: $10.91
    In Stock
  • 8
    92907-06100-00 washer, spring Supersedes: 92906-06100-00 (WASHER, SPRING) Price: $1.50
    In Stock
  • 9
    95317-06600-00 nut Supersedes: 95307-06600-00 (NUT, HEX) Price: $4.43
    In Stock
  • 10
    21W-22199-00-00 support, chain Retail: $35.99 Price: $30.95
    In Stock
  • 11
    90159-05121-00 screw, with washer Supersedes: 90159-05028-00 (SCREW, WITH WASHER) Price: $5.18
    In Stock
  • 12
    3UL-22210-01-UJ shock absorber assembly, rear RW
    This part is currently unavailable.
  • 13
    90201-126A7-00 washer, plate Supersedes: 90201-12190-00 (WASHER, PLATE) Retail: $10.49 Price: $9.02
    Expected to Ship in 5-8 Days
  • 14
    95337-12600-00 nut Supersedes: 95306-12600-00 (NUT) Price: $10.91
    Expected to Ship in 5-8 Days
  • 15
    90105-10669-00 bolt, flange Supersedes: 90105-10561-00 (BOLT, FLANGE) Retail: $10.49 Price: $9.02
    In Stock
Added to your cart
CLOSE