BOGOS End Today! | Buy One Get One Deals Shop Now
CLOSE
Shipping to US Flag United States
Free shipping over $79
My Ride: 2020 Polaris RANGER XP 1000
Fast Cash Week Ends Today! | Earn $25 Fast Cash When You Spend $199 Learn More

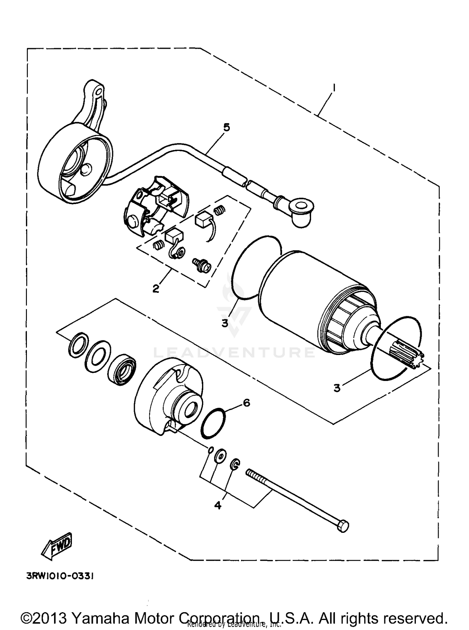
1997 Yamaha XT225 STARTING MOTOR

Set this as my ride
STARTING MOTOR

WARNING Cancer and Reproductive Harm www.P65Warnings.ca.gov.

  • # Part Retail Our Price
    Stock Status Suggested Quantity
  • 1
    4JG-81890-01-00 motor assy Supersedes: 3RW-81800-01-00 (STARTING MOTOR ASSEMBLY) Retail: $282.99 Price: $226.54
    Expected to Ship in 5-8 Days
  • 2
    3C5-81801-00-00 brush set Supersedes: 50M-81801-M0-00 (BRUSH SET) Retail: $25.99 Price: $22.35
    Expected to Ship in 5-8 Days
  • 3
    In Stock
  • 4
    59V-81828-M0-00 screw set Retail: $17.99 Price: $15.47
    Expected to Ship in 5-8 Days
  • 5
    3RW-8183G-00-00 cord comp.
    This part is currently unavailable.
  • 6
    93210-25711-00 o-ring Supersedes: 4FP-H182L-00-00 (O-RING) Price: $9.76
    Expected to Ship in 5-8 Days
Added to your cart
CLOSE