Get Out and Ride | Dialed Gear. Tuned Parts. Dirt Ready. Shop Now
CLOSE
Shipping to US Flag United States
Free shipping over $79
BOGOS | Buy One Get One Deals Shop Now

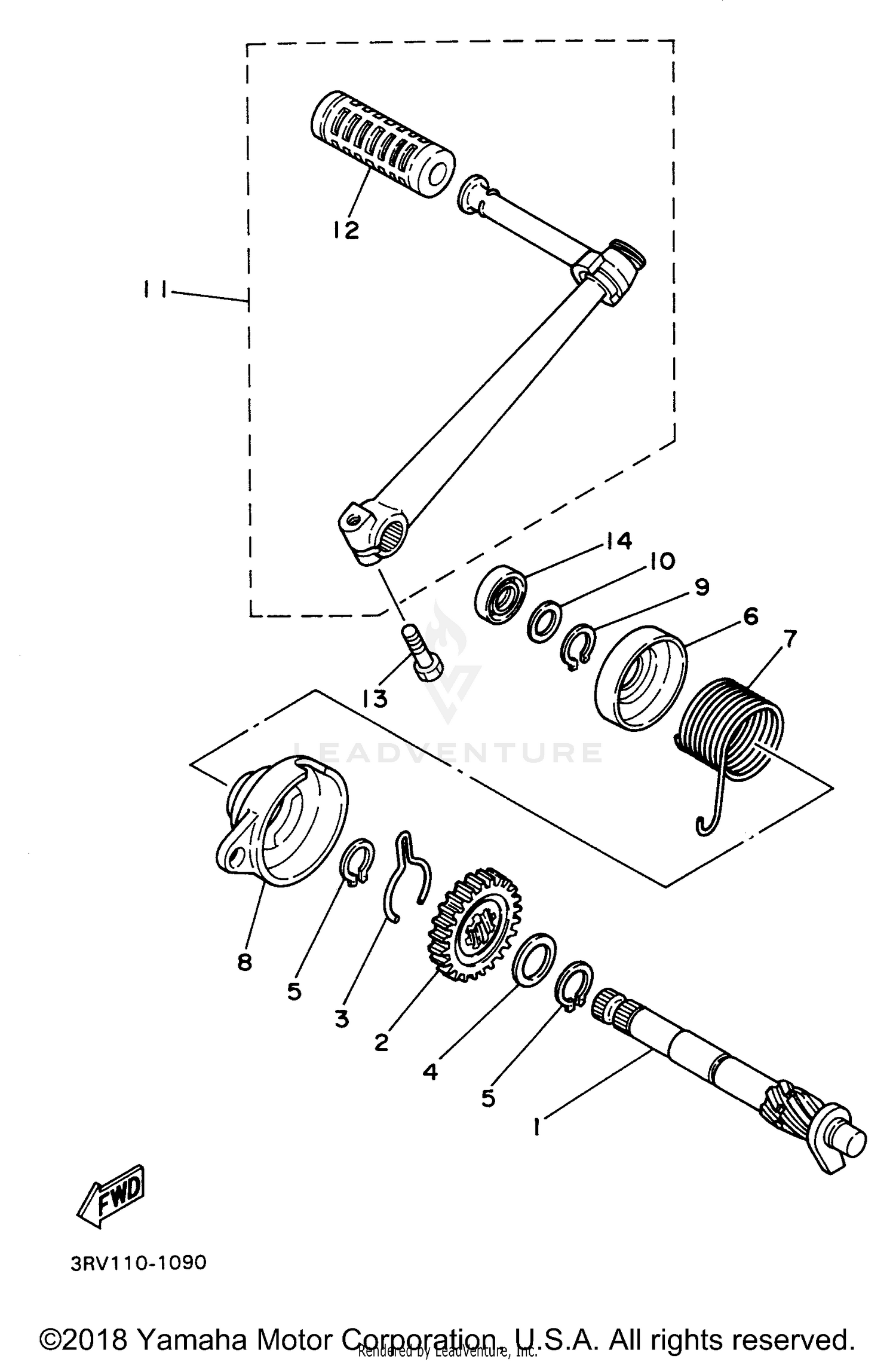
1996 Yamaha PW80 STARTER

Set this as my ride
STARTER

WARNING Cancer and Reproductive Harm www.P65Warnings.ca.gov.

  • # Part Retail Our Price
    Stock Status Suggested Quantity
  • 1
    3E5-15660-00-00 kick axle assy
    This part is currently unavailable.
  • 2
    3E5-15641-00-00 gear, kick (21t)
    This part is currently unavailable.
  • 3
    90468-23194-00 clip Supersedes: 4BC-15673-00-00 (CLIP) Retail: $10.49 Price: $9.02
    Expected to Ship in 5-8 Days
  • 4
    90201-20266-00 washer, plate (t=1.0) Retail: $10.49 Price: $9.02
    Expected to Ship in 5-8 Days
  • 5
    99009-20400-00 circlip Supersedes: 43D-F3183-00-00 (CIRCLIP) Price: $10.91
    In Stock
  • 6
    3E5-15676-00-00 cover, spring
    This part is currently unavailable.
  • 7
    90508-26136-00 spring, torsion Supersedes: 4BC-15665-00-00 (SPRING, TORSION) Retail: $16.49 Price: $14.18
    Expected to Ship in 5-8 Days
  • 8
    4BC-15664-00-00 guide, spring Supersedes: 3E5-15664-00-00 (GUIDE, SPRING)
    This part is currently unavailable.
  • 9
    Expected to Ship in 5-8 Days
  • 10
    Expected to Ship in 5-8 Days
  • 11
    4BC-15620-00-00 kick crank assy Supersedes: 5T9-15620-00-00 (KICK CRANK ASSY)
    This part is currently unavailable.
  • 12
    156-15618-01-00 cover, kick lever Supersedes: 4BC-15618-00-00 (COVER, KICK LEVER) Price: $9.76
    Expected to Ship in 5-8 Days
  • 13
    97017-06025-00 bolt Supersedes: 97026-06022-00 (BOLT, HEX) Price: $5.23
    In Stock
  • 14
    Expected to Ship in 5-8 Days
Added to your cart
CLOSE