Get Out and Ride | Dialed Gear. Tuned Parts. Dirt Ready. Shop Now
CLOSE
Shipping to US Flag United States
Free shipping over $79
BOGOS | Buy One Get One Deals Shop Now

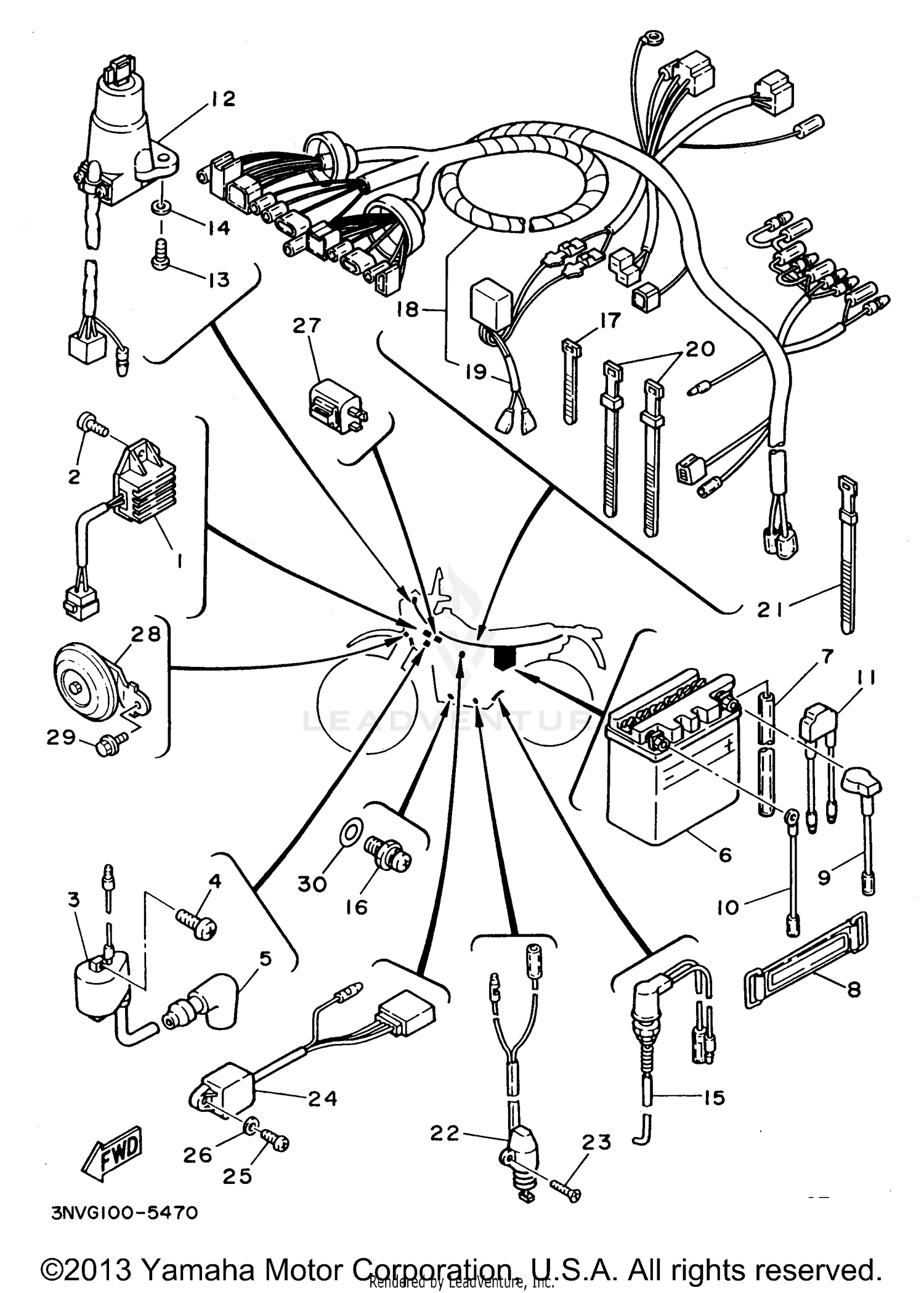
1995 Yamaha XT350 ELECTRICAL 1

Set this as my ride
ELECTRICAL 1

WARNING Cancer and Reproductive Harm www.P65Warnings.ca.gov.

  • # Part Retail Our Price
    Stock Status Suggested Quantity
  • 1
    33G-81960-60-00 rectifier & regulator assembly UR MATSUSHITA Retail: $240.99 Price: $192.79
    Expected to Ship in 5-8 Days
  • 2
    98517-06012-00 screw,pan Supersedes: 98501-06012-00 (SCREW, WITH WASHER) Price: $4.72
    In Stock
  • 3
    3SR-82310-10-00 ignition coil assy Supersedes: 30X-82310-40-00 (IGNITION COIL ASSEMBLY)
    This part is currently unavailable.
  • 4
    98517-06020-00 screw,pan head Supersedes: 9502M-06020-00 (SCREW, PAN HEAD) Price: $2.70
    In Stock
  • 5
    4VW-82370-00-00 plug cap assy Supersedes: 1LN-82370-00-00 (PLUG CAP ASSY) Retail: $75.99 Price: $61.55
    Expected to Ship in 5-8 Days
  • 6
    YB3-LB000-00-00 yb3lb yuasa battery Supersedes: BTG-GM33B-00-00 (BATTERY ASSEMBLY)
    This part is currently unavailable.
  • 7
    90445-084J0-00 pipe Supersedes: 90445-084G9-00 (HOSE (L500)) Retail: $20.99 Price: $18.05
    Expected to Ship in 5-8 Days
  • 8
    7H3-82131-00-00 band, battery UR Supersedes: 120-82131-00-00 (BAND, BATTERY) Retail: $18.99 Price: $16.33
    In Stock
  • 9
    1M1-82115-00-00 wire, plus lead Retail: $31.99 Price: $27.51
    Expected to Ship in 5-8 Days
  • 10
    Expected to Ship in 5-8 Days
  • 11
    3J0-82180-00-00 circuit breaker (3j0-82181-00) Supersedes: 30X-82180-00-00 (CIRCUIT BREAKER ASSEMBLY)
    This part is currently unavailable.
  • 12
    2GK-82501-01-00 main switch steering lock
    This part is currently unavailable.
  • 13
    90149-06228-00 screw Supersedes: 90149-06020-00 (SCREW) Retail: $10.49 Price: $9.02
    In Stock
  • 14
    92907-06600-00 washer, plate Supersedes: 92906-06600-00 (WASHER, PLATE) Price: $1.15
    Expected to Ship in 5-8 Days
  • 15
    30X-82530-02-00 stop switch assembly
    This part is currently unavailable.
  • 16
    4GY-82540-10-00 neutral switch assy Supersedes: 2H7-82540-00-00 (NEUTRAL SWITCH ASSY) Retail: $41.99 Price: $36.11
    In Stock
  • 17
    1UA-82591-00-00 band Supersedes: 90464-32060-00 (BAND) Price: $6.31
    In Stock
  • 18
    2GK-82590-00-00 wire harness assembly UR
    This part is currently unavailable.
  • 19
    57T-81325-00-00 condenser 1
    This part is currently unavailable.
  • 20
    437-83936-01-00 band, switch cord Supersedes: 366-82591-00-00 (BAND, SWITCH CORD) Price: $9.76
    In Stock
  • 21
    25G-83936-01-00 band, switch cord Supersedes: 90464-12045-00 (CLAMP) Price: $6.31
    Expected to Ship in 5-8 Days
  • 22
    5Y1-82566-00-00 switch, side stand UR Retail: $143.99 Price: $115.19
    Expected to Ship in 5-8 Days
  • 23
    98707-05016-00 screw, flat head UR Supersedes: 98706-05016-00 (SCREW, FLAT HEAD) Price: $9.19
    Expected to Ship in 5-8 Days
  • 24
    4Y3-85590-M0-00 control unit assembly
    This part is currently unavailable.
  • 25
    98507-06016-00 screw,pan head Supersedes: 92506-06016-00 (SCREW, WITH WASHER) Price: $4.00
    In Stock
  • 26
    92907-06600-00 washer, plate Supersedes: 92906-06600-00 (WASHER, PLATE) Price: $1.15
    Expected to Ship in 5-8 Days
  • 27
    30X-83350-20-00 flasher relay assy UR
    This part is currently unavailable.
  • 28
    30X-83371-20-00 horn UR
    This part is currently unavailable.
  • 29
    95817-06010-00 bolt,flange UR Supersedes: 95826-06010-00 (BOLT, FLANGE) Price: $6.31
    In Stock
  • 30
    90430-10171-00 gasket Supersedes: 90430-10031-00 (GASKET) Price: $3.97
    In Stock
Added to your cart
CLOSE