Kickstart your Riding Season with Bike Prep and Riding Gear Shop Now
CLOSE
Shipping to US Flag United States
Free shipping over $79
Bargain Bin Blowout! | Save 40-90% Off! Shop Now

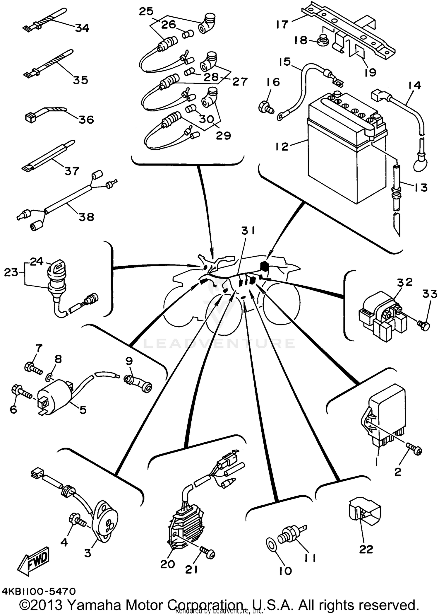
1995 Yamaha WOLVERINE 350 ELECTRICAL 1

Set this as my ride
ELECTRICAL 1

WARNING Cancer and Reproductive Harm www.P65Warnings.ca.gov.

  • # Part Retail Our Price
    Stock Status Suggested Quantity
  • 1
    4KB-85540-00-00 c.d.i. unit assembly
    This part is currently unavailable.
  • 2
    98907-06020-00 screw, bind Supersedes: 9890M-06020-00 (SCREW, BIND) Price: $10.91
    In Stock
  • 3
    4KB-82540-01-00 neutral switch assy Supersedes: 4KB-82540-00-00 (NEUTRAL SWITCH ASSEMBLY) Retail: $139.99 Price: $111.99
    Expected to Ship in 5-8 Days
  • 4
    90119-06242-00 bolt, with washer Supersedes: 90119-06044-00 (BOLT, WITH WASHER) Price: $9.76
    In Stock
  • 5
    3GD-82310-10-00 ignition coil assy Supersedes: 4KB-82310-00-00 (IGNITION COIL ASSY) Retail: $166.99 Price: $133.59
    Expected to Ship in 5-8 Days
  • 6
    90109-06723-00 bolt Price: $10.91
    Expected to Ship in 5-8 Days
  • 7
    97017-06020-00 bolt Supersedes: 97322-06020-00 (BOLT, HEX) Price: $4.67
    In Stock
  • 8
    92907-06600-00 washer, plate Supersedes: 92906-06600-00 (WASHER, PLATE) Price: $1.15
    In Stock
  • 9
    4VW-82370-00-00 plug cap assy Supersedes: 1LN-82370-00-00 (PLUG CAP ASSY) Retail: $75.99 Price: $61.55
    Expected to Ship in 5-8 Days
  • 10
    In Stock
  • 11
    2HT-82560-10-00 thermo switch assy
    This part is currently unavailable.
  • 12
    ACB-12CA0-00-00 acb12ca gs battery w Supersedes: 3FA-82110-12-00 (ACB12CA GS BATTERY W)
    This part is currently unavailable.
  • 13
    90445-086G1-00 hose (l720)
    This part is currently unavailable.
  • 14
    4KB-82115-00-00 wire, plus lead Retail: $53.99 Price: $43.73
    Expected to Ship in 5-8 Days
  • 15
    4KB-82116-00-00 wire, minus lead Retail: $24.99 Price: $21.49
    Expected to Ship in 5-8 Days
  • 16
    Expected to Ship in 5-8 Days
  • 17
    4KB-82128-01-00 bracket, battery Supersedes: 4KB-82128-00-00 (BRACKET, BATTERY)
    This part is currently unavailable.
  • 18
    22W-24181-00-00 damper, locating 1 Supersedes: 2TY-F4181-00-00 (DAMPER, LOCATING 1) Price: $8.61
    Expected to Ship in 5-8 Days
  • 19
    Expected to Ship in 5-8 Days
  • 20
    4KB-81960-02-00 rectifier & regulator assy Supersedes: 4KB-81960-00-00 (RECTIFIER & REGULATOR ASSY) Retail: $311.99 Price: $246.47
    Expected to Ship in 5-8 Days
  • 21
    98907-06020-00 screw, bind Supersedes: 9890M-06020-00 (SCREW, BIND) Price: $10.91
    In Stock
  • 22
    29U-81950-93-00 relay assy (29u-93) Retail: $84.99 Price: $68.84
    In Stock
  • 23
    4GB-82510-12-00 main switch assy Supersedes: 4GB-82510-11-00 (MAIN SWITCH ASSY) Retail: $70.99 Price: $57.50
    Expected to Ship in 5-8 Days
  • 24
    3HN-82579-00-00 cap, key Retail: $15.49 Price: $13.32
    In Stock
  • 25
    24W-83530-10-00 pilot light assy FOR NEUTRAL Supersedes: 24W-83530-00-00 (PILOT LIGHT ASSY) Retail: $37.99 Price: $32.67
    Expected to Ship in 5-8 Days
  • 26
    123-83516-21-XX bulb (12v-3.4w) Supersedes: 123-83516-21-00 (BULB, (12V-3. 4W))
    This part is currently unavailable.
  • 27
    52G-83530-10-00 pilot light assy FOR REVERSE Supersedes: 52G-83530-01-00 (PILOT LIGHT ASSY) Retail: $36.99 Price: $31.81
    Expected to Ship in 5-8 Days
  • 28
    123-83516-21-XX bulb (12v-3.4w) Supersedes: 123-83516-21-00 (BULB, (12V-3. 4W))
    This part is currently unavailable.
  • 29
    3FA-83530-10-00 pilot light assembly FOR OIL TEMP. Supersedes: 2XJ-83530-01-00 (PILOT LIGHT ASSEMBLY | FOR OIL) Retail: $27.99 Price: $24.07
    Expected to Ship in 5-8 Days
  • 30
    123-83516-21-XX bulb (12v-3.4w) Supersedes: 123-83516-21-00 (BULB, (12V-3. 4W))
    This part is currently unavailable.
  • 31
    4KB-82590-00-00 wire harness assembly Retail: $329.99 Price: $260.69
    Expected to Ship in 5-8 Days
  • 32
    4BH-81940-02-00 starter relay assy (rc19-005) Supersedes: 4BH-81940-00-00 (STARTER RELAY ASSY) Retail: $123.99 Price: $99.19
    In Stock
  • 33
    95027-06008-00 bolt, flange Supersedes: 9502M-06008-00 (BOLT, FLANGE)
    This part is currently unavailable.
  • 34
    437-83936-01-00 band, switch cord Supersedes: 366-82591-00-00 (BAND, SWITCH CORD) Price: $9.76
    In Stock
  • 35
    437-83936-11-00 band, switch cord Supersedes: 90465-13M24-00 (BAND, SWITCH CORD) Price: $5.75
    In Stock
  • 36
    1UY-82591-00-00 clamp
    This part is currently unavailable.
  • 37
    341-26397-01-00 band Supersedes: 435-13474-00-00 (BAND)
    This part is currently unavailable.
  • 38
    59V-82541-00-00 wire, lead
    This part is currently unavailable.
Added to your cart
CLOSE