Kickstart your Riding Season with Bike Prep and Riding Gear Shop Now
CLOSE
Shipping to US Flag United States
Free shipping over $79
Moto Madness Sale | Get Up To 65% Off Parts & Gear Shop Now

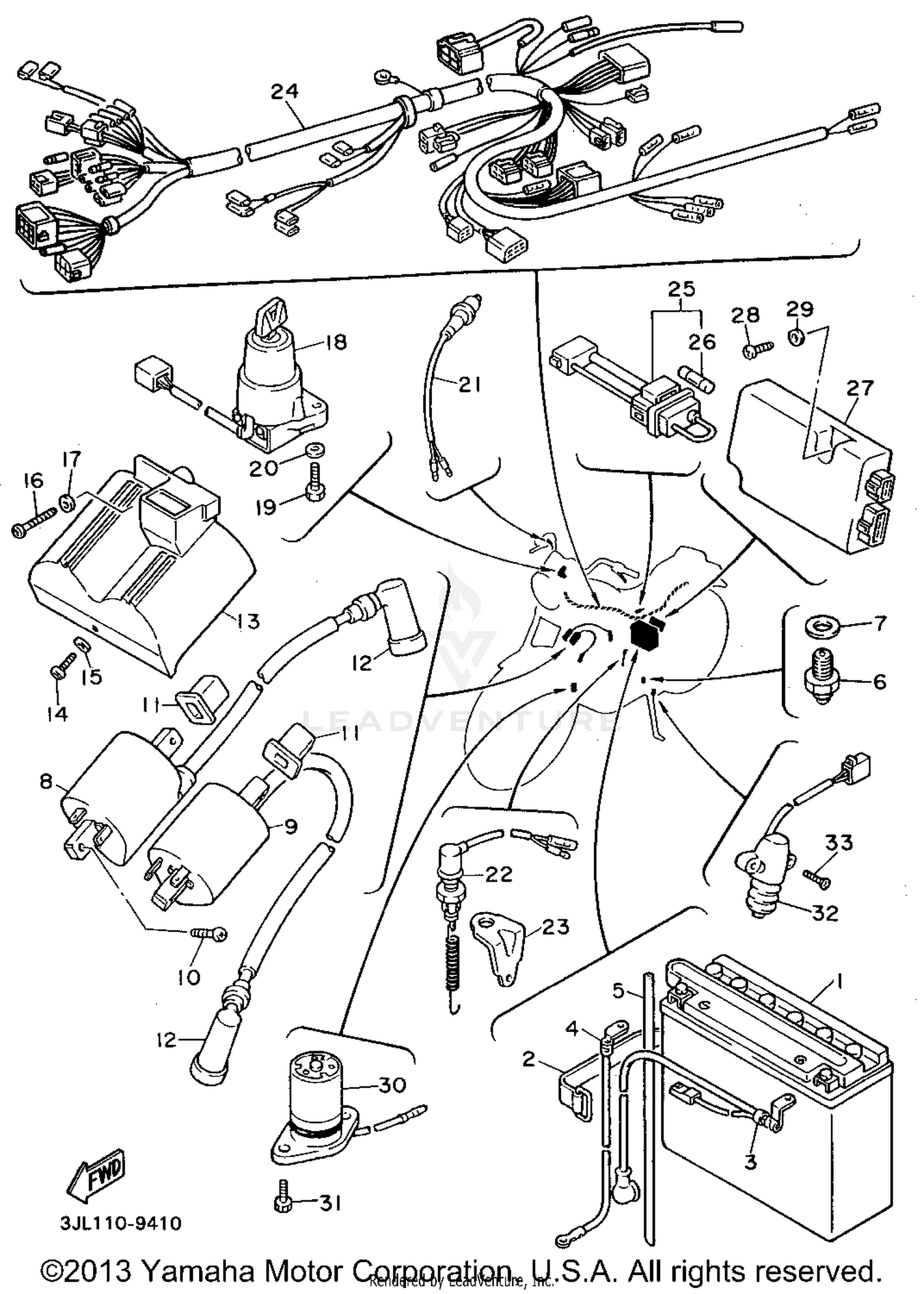
1994 Yamaha VIRAGO 750 - XV750 ELECTRICAL 1

Set this as my ride
ELECTRICAL 1

WARNING Cancer and Reproductive Harm www.P65Warnings.ca.gov.

  • # Part Retail Our Price
    Stock Status Suggested Quantity
  • 1
    YB1-6ALA2-00-00 yb16ala2 yuasa batt 1 Supersedes: 5E3-82110-81-00 (YB16ALA2 YUASA BATT | YUASA () Retail: $152.99 Price: $123.93
    Expected to Ship in 5-8 Days
  • 2
    1E6-82131-00-00 band, battery 1 Retail: $30.99 Price: $26.65
    In Stock
  • 3
    42H-82115-01-00 wire, plus lead 1 Supersedes: 42H-82115-00-00 (WIRE, PLUS LEAD)
    This part is currently unavailable.
  • 4
    42X-82116-00-00 wire, minus lead 1
    This part is currently unavailable.
  • 5
    90445-084J0-00 pipe 1 Supersedes: 90445-084G9-00 (HOSE (L500)) Retail: $20.99 Price: $18.05
    Expected to Ship in 5-8 Days
  • 6
    4GY-82540-10-00 neutral switch assy 1 Supersedes: 2H7-82540-00-00 (NEUTRAL SWITCH ASSY) Retail: $41.99 Price: $36.11
    In Stock
  • 7
    90430-10171-00 gasket 1 Supersedes: 90430-10031-00 (GASKET) Price: $3.97
    In Stock
  • 8
    42X-82310-70-00 ignition coil assembly 1 Retail: $187.67 Price: $150.14
    Expected to Ship in 5-8 Days
  • 9
    42X-82320-70-00 ignition coil assembly 1
    This part is currently unavailable.
  • 10
    90157-05M19-00 screw, pan head 2 Supersedes: 95807-05016-00 (SCREW, PAN HEAD) Price: $4.20
    Expected to Ship in 5-8 Days
  • 11
    42X-82317-00-00 damper, ignition coil 2
    This part is currently unavailable.
  • 12
    1J7-82370-00-00 plug cap assembly 2 Retail: $105.99 Price: $84.79
    Expected to Ship in 5-8 Days
  • 13
    42X-82314-01-00 cover, ignitn coil (l/lc) 1 Supersedes: 57A-82314-00-00 (COVER, IGNITN COIL (L/LC))
    This part is currently unavailable.
  • 14
    98517-06012-00 screw,pan 1 Supersedes: 98501-06012-00 (SCREW, WITH WASHER) Price: $4.72
    In Stock
  • 15
    92907-06600-00 washer, plate 1 Supersedes: 92906-06600-00 (WASHER, PLATE) Price: $1.15
    Expected to Ship in 5-8 Days
  • 16
    98517-06025-00 screw, pan head 1 Supersedes: 98507-06025-00 (SCREW, PAN HEAD) Price: $4.66
    In Stock
  • 17
    92907-06600-00 washer, plate 1 Supersedes: 92906-06600-00 (WASHER, PLATE) Price: $1.15
    Expected to Ship in 5-8 Days
  • 18
    42X-82501-50-00 main switch steering lock 1
    This part is currently unavailable.
  • 19
    97D95-06016-00 bolt, hexagon deep r 2 Supersedes: 97024-06016-00 (BOLT, HEXAGON DEEP R) Price: $3.17
    Expected to Ship in 5-8 Days
  • 20
    92990-06600-00 washer, plate 2 Supersedes: 92903-06600-00 (WASHER, PLATE) Price: $3.28
    Expected to Ship in 5-8 Days
  • 21
    26H-83980-00-00 front stop switch assy 1 Supersedes: 1A0-83980-30-00 (FRONT STOP SWITCH ASSEMBLY) Retail: $80.99 Price: $65.60
    Expected to Ship in 5-8 Days
  • 22
    42X-82530-02-00 stop switch assembly 1 Retail: $35.99 Price: $30.95
    Expected to Ship in 5-8 Days
  • 23
    1FK-82539-00-00 stay, stop switch 1 Supersedes: 42X-82539-00-00 (STAY, STOP SWITCH)
    This part is currently unavailable.
  • 24
    3JL-82590-00-00 wire harness assembly 1
    This part is currently unavailable.
  • 25
    4X7-82150-00-00 fuse holder assembly 1
    This part is currently unavailable.
  • 26
    1A0-82161-00-00 fuse (12v-20a) 2 Supersedes: 148-82151-00-00 (FUSE (20A) (148-82151-00-00)) Price: $9.76
    In Stock
  • 27
    3JL-82305-00-00 ignitor unit assembly 1
    This part is currently unavailable.
  • 28
    97707-60520-00 screw, tapping Supersedes: 97707-60120-00 (SCREW, PAN HEAD) Price: $10.91
    Expected to Ship in 5-8 Days
  • 29
    90201-063A5-00 washer, plate 2 Retail: $10.49 Price: $9.02
    Expected to Ship in 5-8 Days
  • 30
    3JK-85720-00-00 oil level gauge assembly 1 Retail: $258.99 Price: $207.19
    Expected to Ship in 5-8 Days
  • 31
    91314-06016-00 bolt, hexagon socket head 2 Supersedes: 91311-06016-00 (BOLT, HEXAGON SOCKET HEAD) Price: $10.91
    Expected to Ship in 5-8 Days
  • 32
    33E-82566-00-00 switch, side stand 1 Supersedes: 4X7-82566-00-00 (SWITCH, SIDE STAND) Retail: $150.99 Price: $120.79
    Expected to Ship in 5-8 Days
  • 33
    98707-05016-00 screw, flat head 2 Supersedes: 98706-05016-00 (SCREW, FLAT HEAD) Price: $9.19
    In Stock
Added to your cart
CLOSE