BOGOS | Buy One Get One Deals Shop Now
CLOSE
Shipping to US Flag United States
Free shipping over $79
My Ride: 2023 Polaris RZR PRO XP
Fast Cash Week | Earn $25 Fast Cash When You Spend $199 Learn More

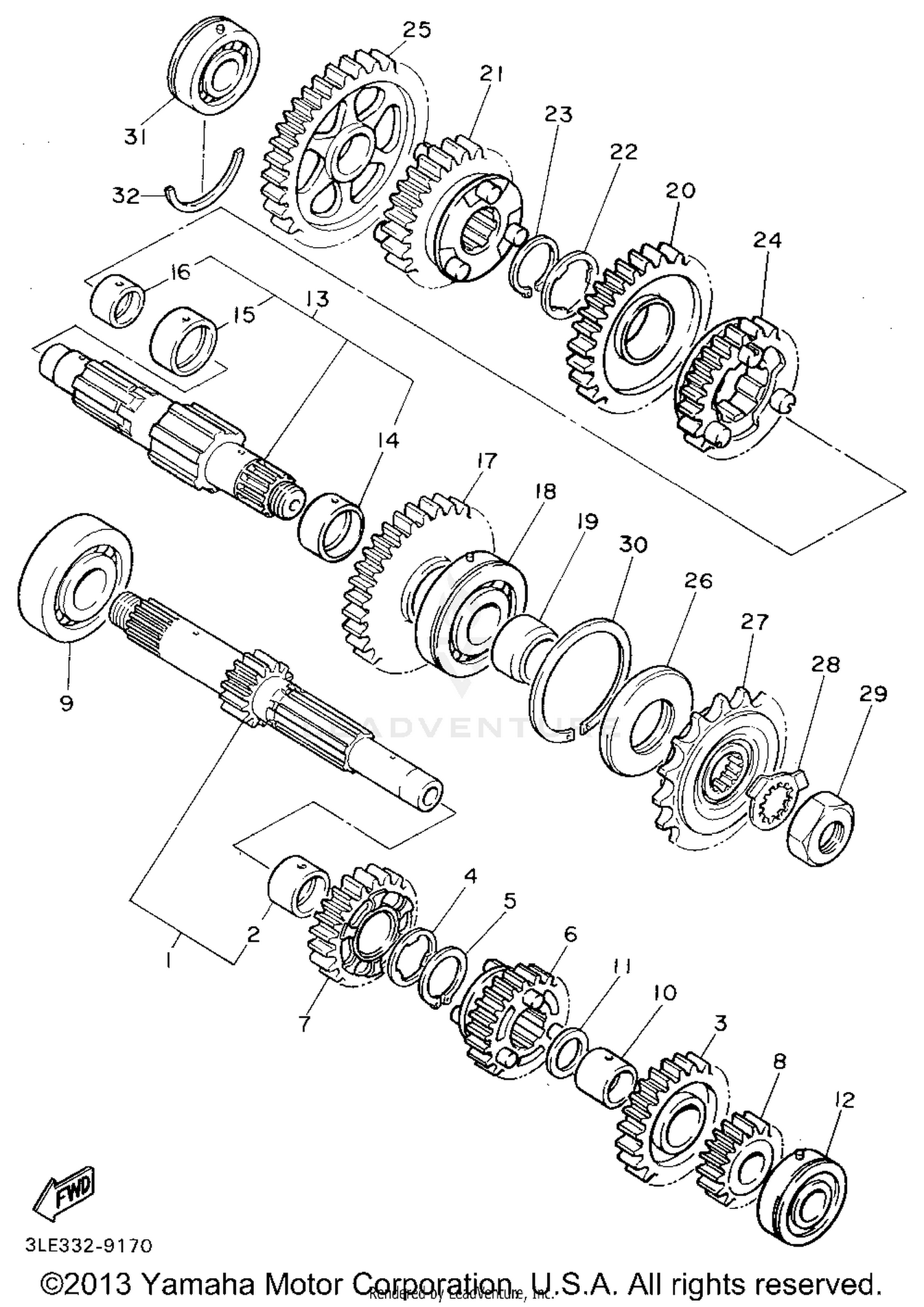
1994 Yamaha GTS1000A TRANSMISSION

Set this as my ride
TRANSMISSION

WARNING Cancer and Reproductive Harm www.P65Warnings.ca.gov.

Added to your cart
CLOSE