Tire Rebates! Get Up To $70 Back Shop Now
CLOSE
Shipping to US Flag United States
Free shipping over $79
My Ride: 2022 Can-Am OUTLANDER 650 XT
Moto Madness Sale | Get Up To 65% Off Parts & Gear Shop Now

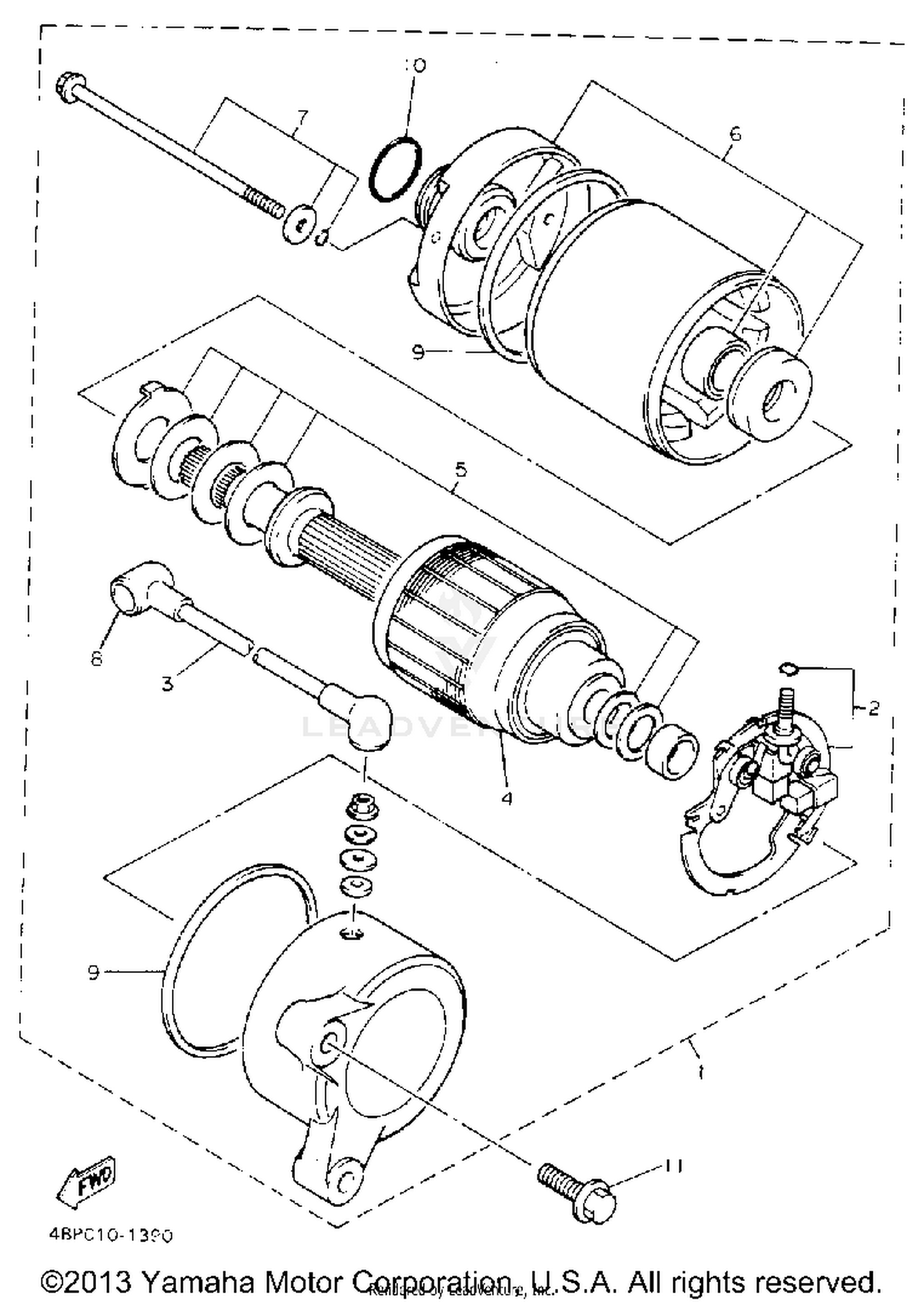
1993 Yamaha SECA II - XJ600S STARTING MOTOR

Set this as my ride
STARTING MOTOR

WARNING Cancer and Reproductive Harm www.P65Warnings.ca.gov.

Added to your cart
CLOSE