Get Out and Ride | Dialed Gear. Tuned Parts. Dirt Ready. Shop Now
CLOSE
Shipping to US Flag United States
Free shipping over $79
Bargain Bin | Save 40% to 90% off Some of our steepest gear and casual discounts Shop Now

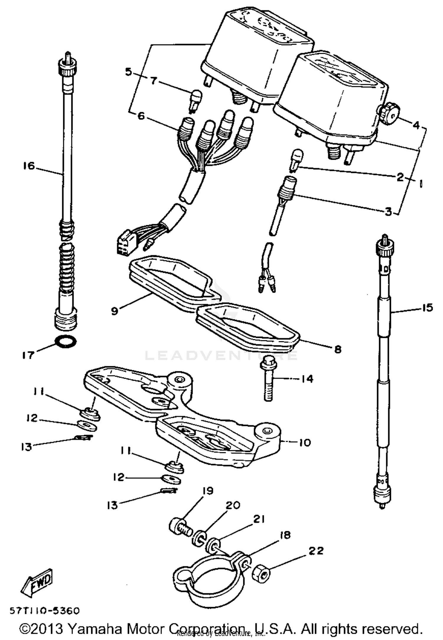
1992 Yamaha XT350 METER

Set this as my ride
METER

WARNING Cancer and Reproductive Harm www.P65Warnings.ca.gov.

  • # Part Retail Our Price
    Stock Status Suggested Quantity
  • 1
    43F-83570-G1-00 speedometer assembly
    This part is currently unavailable.
  • 2
    4G1-84744-00-XX bulb (12v-3.4w t10) Supersedes: 4R0-83517-00-00 (BULB (12V-3.4W T10))
    This part is currently unavailable.
  • 3
    5E2-83509-20-00 socket cord assy Supersedes: 5Y1-83536-00-00 (SOCKET, METER) Retail: $31.99 Price: $27.51
    Expected to Ship in 5-8 Days
  • 4
    5Y1-83578-00-00 knob, trip meter Retail: $30.99 Price: $26.65
    Expected to Ship in 5-8 Days
  • 5
    1ET-83540-00-00 tachometer assembly
    This part is currently unavailable.
  • 6
    Expected to Ship in 5-8 Days
  • 7
    4G1-84744-00-XX bulb (12v-3.4w t10) Supersedes: 4R0-83517-00-00 (BULB (12V-3.4W T10))
    This part is currently unavailable.
  • 8
    5Y1-83513-00-00 damper Retail: $36.99 Price: $31.81
    Expected to Ship in 5-8 Days
  • 9
    5Y1-83541-00-00 damper Retail: $24.99 Price: $21.49
    Expected to Ship in 5-8 Days
  • 10
    5Y1-83519-00-00 bracket, meter Retail: $62.99 Price: $51.02
    In Stock
  • 11
    1M1-83526-01-00 damper 2 Supersedes: 1M1-83526-00-00 (DAMPER 2) Price: $6.89
    Expected to Ship in 5-8 Days
  • 12
    90201-05033-00 washer, plate Supersedes: 53Y-83524-00-00 (WASHER, SPECIAL) Retail: $11.49 Price: $9.88
    Expected to Ship in 5-8 Days
  • 13
    90468-10050-00 clip Supersedes: 437-83525-00-00 (CLIP) Price: $3.51
    In Stock
  • 14
    95817-06040-00 bolt, flange Supersedes: 91026-06040-00 (BOLT, FLANGE) Price: $7.46
    Expected to Ship in 5-8 Days
  • 15
    48Y-83550-03-00 speedometer cable as Supersedes: 48Y-83550-01-00 (SPEEDOMETER CABLE ASSEMBLY) Retail: $41.99 Price: $36.11
    Expected to Ship in 5-8 Days
  • 16
    30X-83560-01-00 tachometer cable ass Supersedes: 30X-83560-00-00 (TACHOMETER CABLE ASSEMBLY) Retail: $23.99 Price: $20.63
    Expected to Ship in 5-8 Days
  • 17
    93210-14579-00 o-ring Supersedes: 1NL-23147-00-00 (O-RING) Price: $8.61
    In Stock
  • 18
    3Y1-26397-00-00 band
    This part is currently unavailable.
  • 19
    97885-05016-00 screw, pan head Supersedes: 98580-05016-00 (SCREW, PAN HEAD)
    This part is currently unavailable.
  • 20
    92990-05100-00 washer, spring Supersedes: 92901-05100-00 (WASHER, SPRING) Price: $0.61
    Expected to Ship in 5-8 Days
  • 21
    92990-05600-00 washer, plate Supersedes: 92902-05600-00 (WASHER, PLATE)
    This part is currently unavailable.
  • 22
    95380-05600-00 nut Supersedes: 98802-05100-00 (NUT)
    This part is currently unavailable.
Added to your cart
CLOSE