BOGOS End Today! | Buy One Get One Deals Shop Now
CLOSE
Shipping to US Flag United States
Free shipping over $79
My Ride: 2023 Honda TALON 1000R
Fast Cash Week Ends Today! | Earn $25 Fast Cash When You Spend $199 Learn More

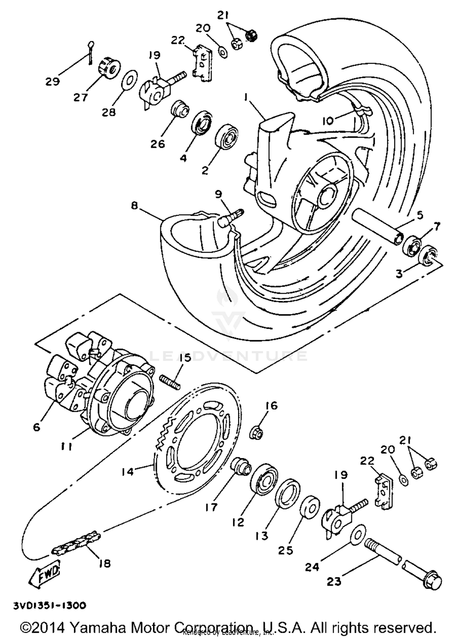
1992 Yamaha TDM850 REAR WHEEL

Set this as my ride
REAR WHEEL

WARNING Cancer and Reproductive Harm www.P65Warnings.ca.gov.

Added to your cart
CLOSE