Kickstart your Riding Season with Bike Prep and Riding Gear Shop Now
CLOSE
Shipping to US Flag United States
Free shipping over $79
My Ride: 2021 Can-Am MAVERICK X3 TURBO
Moto Madness Sale | Get Up To 65% Off Parts & Gear Shop Now

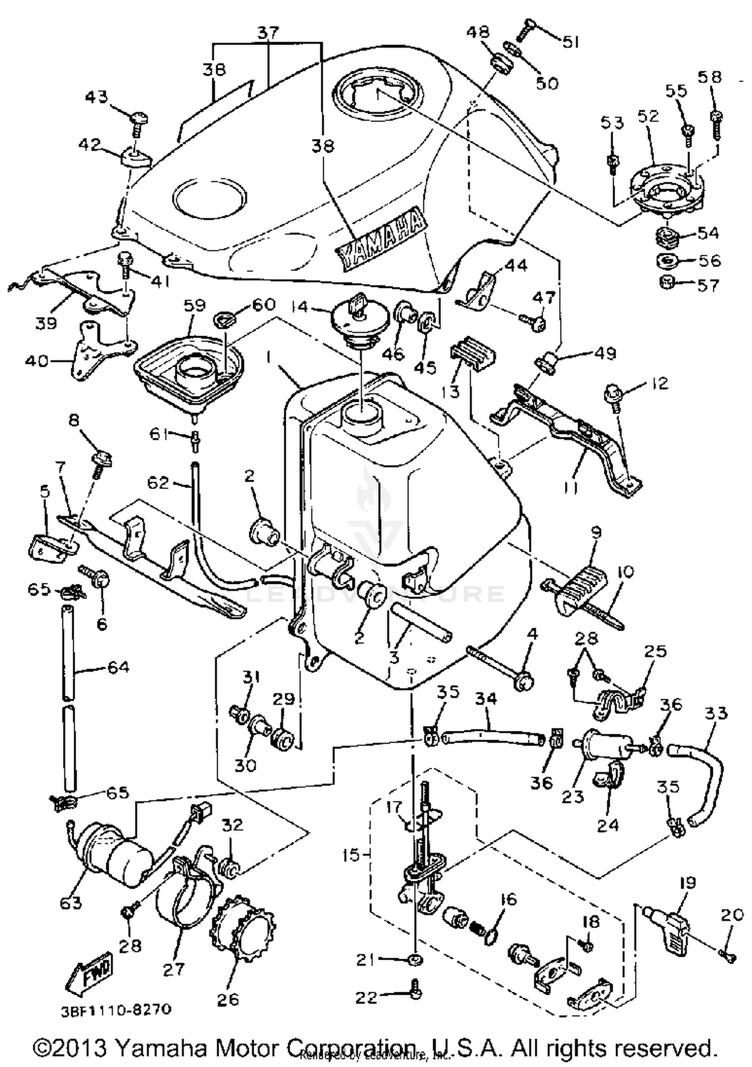
1988 Yamaha FZR400 FUEL TANK

Set this as my ride
FUEL TANK

WARNING Cancer and Reproductive Harm www.P65Warnings.ca.gov.

  • # Part Retail Our Price
    Stock Status Suggested Quantity
  • 1
    1WG-24110-01-00 fuel tank
    This part is currently unavailable.
  • 2
    Expected to Ship in 5-8 Days
  • 3
    90387-06380-00 collar
    This part is currently unavailable.
  • 4
    95817-06080-00 bolt, flange Supersedes: 95811-06080-00 (BOLT, FLANGE) Price: $6.31
    Expected to Ship in 5-8 Days
  • 5
    1WG-21346-00-00 bracket, tank ftng
    This part is currently unavailable.
  • 6
    95817-06016-00 bolt, flange Supersedes: 91001-06016-00 (BOLT, FLANGE) Price: $2.24
    In Stock
  • 7
    1WG-21345-00-00 bracket, tank fitting Retail: $45.99 Price: $39.55
    Expected to Ship in 5-8 Days
  • 8
    95817-08016-00 bolt,flange (jn5) Supersedes: 9581P-08016-00 (BOLT, FLANGE) Price: $6.31
    In Stock
  • 9
    1HX-24182-00-00 damper, locating 2
    This part is currently unavailable.
  • 10
    1UA-82591-00-00 band Supersedes: 90464-32060-00 (BAND) Price: $6.31
    Expected to Ship in 5-8 Days
  • 11
    1WG-21348-00-00 bracket, tank fitting
    This part is currently unavailable.
  • 12
    95817-06016-00 bolt, flange Supersedes: 91001-06016-00 (BOLT, FLANGE) Price: $2.24
    In Stock
  • 13
    1WG-24185-00-00 damper, locating 5
    This part is currently unavailable.
  • 14
    1WG-24602-00-00 cap assembly Retail: $189.99 Price: $151.99
    Expected to Ship in 5-8 Days
  • 15
    1WG-24500-00-00 fuel cock assembly 1
    This part is currently unavailable.
  • 16
    4X8-24534-00-00 seal, cock Retail: $14.49 Price: $12.46
    Expected to Ship in 5-8 Days
  • 17
    In Stock
  • 18
    98580-03008-00 screw, pan head Supersedes: 98503-03008-00 (SCREW, PAN HEAD) Price: $4.43
    In Stock
  • 19
    1WG-24524-00-00 lever, cock Retail: $22.99 Price: $19.77
    Expected to Ship in 5-8 Days
  • 20
    98707-04016-00 screw, flat head Supersedes: 4SS-26256-00-00 (SCREW, FLAT HEAD) Price: $10.91
    In Stock
  • 21
    90202-05187-00 washer, plate Supersedes: 90202-05193-00 (WASHER, PLATE) Price: $1.96
    In Stock
  • 22
    In Stock
  • 23
    1FK-24560-10-00 filter assy Supersedes: 1FK-24560-01-00 (FILTER ASSY) Retail: $34.99 Price: $30.09
    Expected to Ship in 5-8 Days
  • 24
    26H-24568-00-00 band, filter
    This part is currently unavailable.
  • 25
    1WG-24566-00-00 bracket, filter Retail: $15.99 Price: $13.75
    Expected to Ship in 5-8 Days
  • 26
    1WG-24398-01-00 band 1
    This part is currently unavailable.
  • 27
    3HE-24491-00-00 bracket, fuel pump Supersedes: 1WG-24491-01-00 (BRACKET, FUEL PUMP)
    This part is currently unavailable.
  • 28
    98907-05014-00 screw, bind Supersedes: 98906-05014-00 (SCREW, BIND) Price: $10.91
    In Stock
  • 29
    90480-14229-00 grommet Supersedes: 90480-14555-00 (GROMMET) Price: $10.91
    Expected to Ship in 5-8 Days
  • 30
    90387-07391-00 collar Supersedes: 90387-065G0-00 (COLLAR) Retail: $10.49 Price: $9.02
    Expected to Ship in 5-8 Days
  • 31
    In Stock
  • 32
    Expected to Ship in 5-8 Days
  • 33
    1WG-24311-00-00 pipe, fuel 1
    This part is currently unavailable.
  • 34
    1WG-24312-00-00 pipe 2
    This part is currently unavailable.
  • 35
    90467-10091-00 clip, scissor Retail: $10.49 Price: $9.02
    Expected to Ship in 5-8 Days
  • 36
    90467-11044-00 clip Supersedes: 90467-12053-00 (CLIP) Price: $10.91
    In Stock
  • 37
    1WG-W217A-00-0X cover, top SILKY WHITE/ FINE RED Retail: $783.99 Price: $640.55
    Expected to Ship in 5-8 Days
  • 38
    99224-00160-00 emblem, yamaha Supersedes: 99224-00040-00 (EMBLEM, YAMAHA) Retail: $17.49 Price: $15.04
    Expected to Ship in 5-8 Days
  • 39
    3FH-24364-00-00 stay
    This part is currently unavailable.
  • 40
    3BF-24158-00-00 stay, fuel tank 2
    This part is currently unavailable.
  • 41
    95817-06012-00 bolt, flange Supersedes: 90105-06556-00 (BOLT, FLANGE) Price: $2.24
    In Stock
  • 42
    1WG-24183-00-00 damper, locating 3 Retail: $10.99 Price: $9.45
    Expected to Ship in 5-8 Days
  • 43
    90154-06040-00 screw, binding
    This part is currently unavailable.
  • 44
    1WG-24184-00-00 damper, locating 4
    This part is currently unavailable.
  • 45
    1WG-2414H-00-00 trim, cover panel
    This part is currently unavailable.
  • 46
    90387-112R6-00 collar
    This part is currently unavailable.
  • 47
    90149-06246-00 screw, specl shape
    This part is currently unavailable.
  • 48
    90480-18495-00 grommet Supersedes: 90480-18418-00 (GROMMET) Retail: $10.49 Price: $9.02
    Expected to Ship in 5-8 Days
  • 49
    90387-112R6-00 collar
    This part is currently unavailable.
  • 50
    90201-06697-00 washer, plate Supersedes: 90201-06070-00 (WASHER, PLATE) Price: $10.91
    Expected to Ship in 5-8 Days
  • 51
    98517-06025-00 screw, pan head Supersedes: 98507-06025-00 (SCREW, PAN HEAD) Price: $4.66
    In Stock
  • 52
    1WG-24614-00-00 plate, cap Retail: $57.99 Price: $46.97
    Expected to Ship in 5-8 Days
  • 53
    90110-06134-00 bolt, hexagon socket head
    This part is currently unavailable.
  • 54
    Expected to Ship in 5-8 Days
  • 55
    Expected to Ship in 5-8 Days
  • 56
    90201-06380-00 washer plain Supersedes: 90201-06076-00 (WASHER, PLATE) Price: $1.14
    Expected to Ship in 5-8 Days
  • 57
    95380-06600-00 nut, hexagon Supersedes: 95301-06600-00 (NUT) Price: $5.52
    In Stock
  • 58
    90110-06132-00 bolt, hex skt headsocket head
    This part is currently unavailable.
  • 59
    1WG-2414A-00-00 cover, filler
    This part is currently unavailable.
  • 60
    1WG-24622-00-00 washer, ring
    This part is currently unavailable.
  • 61
    Expected to Ship in 5-8 Days
  • 62
    90445-072G8-00 hose (l310) Supersedes: 90445-042E2-00 (HOSE) Retail: $32.99 Price: $28.37
    In Stock
  • 63
    1WG-13907-00-00 fuel pump comp.
    This part is currently unavailable.
  • 64
    90445-126E7-00 hose (l220) Supersedes: 90445-120E7-00 (HOSE (L220)) Retail: $29.99 Price: $25.79
    Expected to Ship in 5-8 Days
  • 65
    90450-12002-00 clamp,hose Supersedes: 90460-12256-00 (CLAMP,HOSE) Retail: $10.99 Price: $9.45
    In Stock
Added to your cart
CLOSE