Kickstart your Riding Season with Bike Prep and Riding Gear Shop Now
CLOSE
Shipping to US Flag United States
Free shipping over $79
My Ride: 2017 Can-Am OUTLANDER 650 DPS
Moto Madness Sale | Get Up To 65% Off Parts & Gear Shop Now

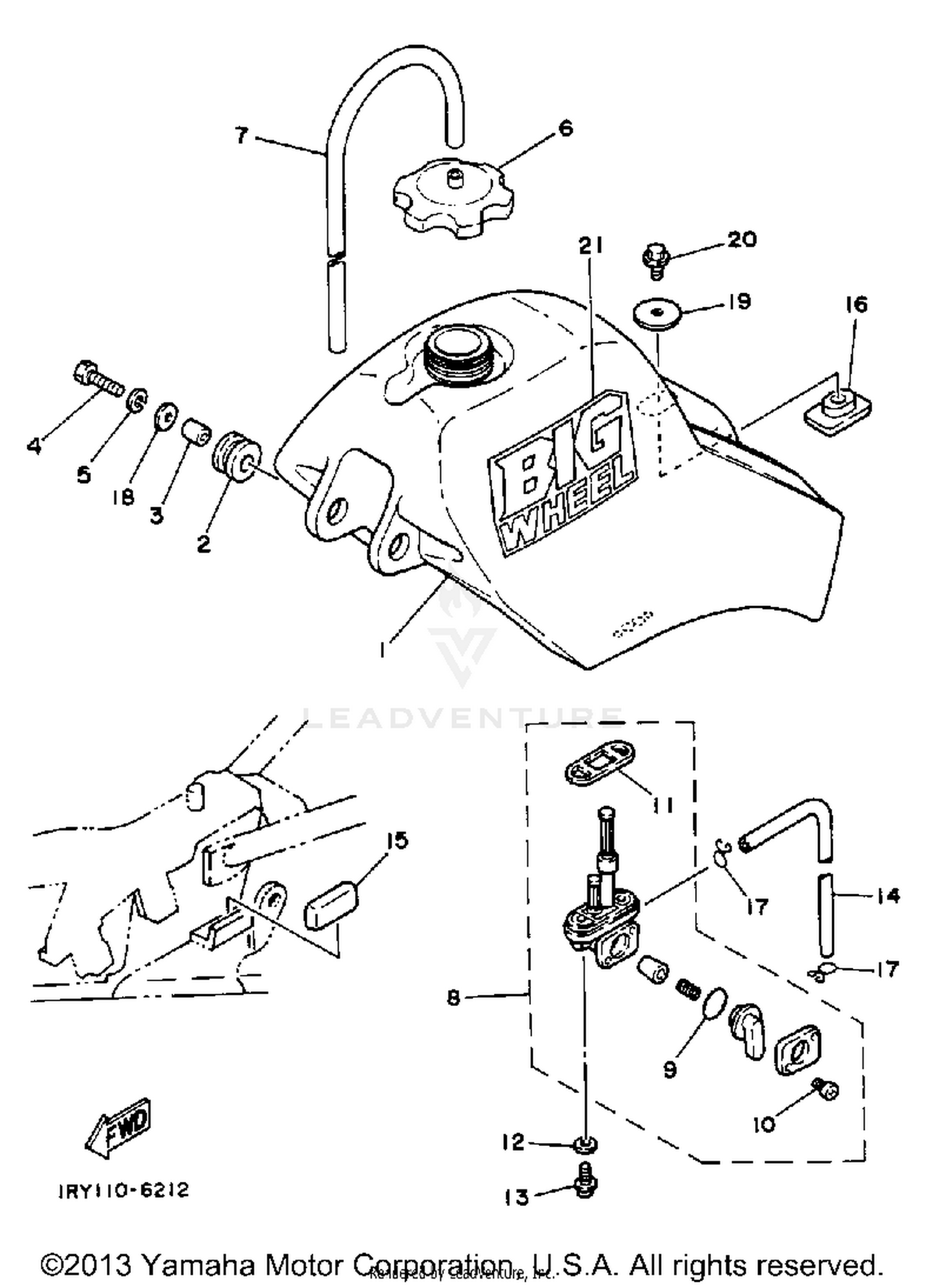
1988 Yamaha BW80 FUEL TANK

Set this as my ride
FUEL TANK

WARNING Cancer and Reproductive Harm www.P65Warnings.ca.gov.

Added to your cart
CLOSE