Kickstart your Riding Season with Bike Prep and Riding Gear Shop Now
CLOSE
Shipping to US Flag United States
Free shipping over $79
Bargain Bin Blowout! | Save 40-90% Off! Shop Now

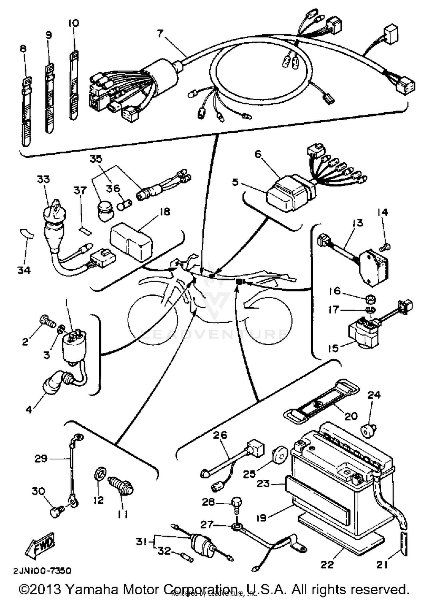
1988 Yamaha BW350 ELECTRICAL 1

Set this as my ride
ELECTRICAL 1

WARNING Cancer and Reproductive Harm www.P65Warnings.ca.gov.

  • # Part Retail Our Price
    Stock Status Suggested Quantity
  • 1
    4RP-82310-26-00 ignition coil assy Supersedes: 2JN-82310-M0-00 (IGNITION COIL ASS''Y) Retail: $79.99 Price: $64.79
    In Stock
  • 2
    97017-06020-00 bolt Supersedes: 97322-06020-00 (BOLT, HEX) Price: $4.67
    In Stock
  • 3
    92995-06100-00 washer, spring Supersedes: 92990-06100-00 (WASHER, WAVE) Price: $3.97
    Expected to Ship in 5-8 Days
  • 4
    4VW-82370-00-00 plug cap assy Supersedes: 1LN-82370-00-00 (PLUG CAP ASSY) Retail: $75.99 Price: $61.55
    Expected to Ship in 5-8 Days
  • 5
    2JN-85540-M0-00 cdi unit assembly
    This part is currently unavailable.
  • 6
    50W-85546-00-00 band
    This part is currently unavailable.
  • 7
    2JN-82590-00-00 wire harness assembly
    This part is currently unavailable.
  • 8
    25G-83936-01-00 band, switch cord Supersedes: 90464-12045-00 (CLAMP) Price: $6.31
    Expected to Ship in 5-8 Days
  • 9
    437-83936-01-00 band, switch cord Supersedes: 366-82591-00-00 (BAND, SWITCH CORD) Price: $9.76
    In Stock
  • 10
    437-83936-11-00 band, switch cord Supersedes: 90465-13M24-00 (BAND, SWITCH CORD) Price: $5.75
    In Stock
  • 11
    4GY-82540-10-00 neutral switch assy Supersedes: 2H7-82540-00-00 (NEUTRAL SWITCH ASSY) Retail: $41.99 Price: $36.11
    In Stock
  • 12
    90430-10171-00 gasket Supersedes: 90430-10031-00 (GASKET) Price: $3.97
    Expected to Ship in 5-8 Days
  • 13
    Expected to Ship in 5-8 Days
  • 14
    97885-06012-00 screw, pan head Supersedes: 92580-06012-00 (SCREW, PAN HEAD)
    This part is currently unavailable.
  • 15
    4KD-81940-00-00 starter relay assy (ms5d-611) Supersedes: 3AY-81940-00-00 (STARTER RELAY ASSY) Retail: $125.99 Price: $100.79
    In Stock
  • 16
    95380-06700-00 nut Supersedes: 95302-06700-00 (NUT) Price: $10.91
    In Stock
  • 17
    92995-06100-00 washer, spring Supersedes: 92990-06100-00 (WASHER, WAVE) Price: $3.97
    Expected to Ship in 5-8 Days
  • 18
    12R-81950-02-00 relay assy Supersedes: 1RL-81950-92-00 (RELAY ASSY (1RL-92)) Retail: $76.99 Price: $62.36
    In Stock
  • 19
    BTG-GM12B-48-00 unavailable in price book
    This part is currently unavailable.
  • 20
    1E6-82131-00-00 band, battery Retail: $30.99 Price: $26.65
    In Stock
  • 21
    In Stock
  • 22
    1UY-21639-00-00 damper 2 Supersedes: 2JN-21747-00-00 (INACTIVE PART NUMBER) Price: $9.76
    Expected to Ship in 5-8 Days
  • 23
    2JN-21746-00-00 damper
    This part is currently unavailable.
  • 24
    116-27114-00-00 stopper, main stand Supersedes: 4X4-27114-00-00 (STOPPER, MAIN STAND (4X4-27114-) Retail: $11.99 Price: $10.31
    Expected to Ship in 5-8 Days
  • 25
    Expected to Ship in 5-8 Days
  • 26
    2JN-82115-00-00 wire, plus lead
    This part is currently unavailable.
  • 27
    2JN-82116-00-00 wire, minus lead Retail: $16.99 Price: $14.61
    Expected to Ship in 5-8 Days
  • 28
    Expected to Ship in 5-8 Days
  • 29
    2JN-82519-00-00 wire, earth lead
    This part is currently unavailable.
  • 30
    Expected to Ship in 5-8 Days
  • 31
    55K-82150-02-00 fuse holder assy Supersedes: 55K-82150-01-00 (FUSE HOLDER ASSY) Retail: $15.49 Price: $13.32
    Expected to Ship in 5-8 Days
  • 32
    1A0-82151-00-00 fuse (12v-10a) Supersedes: 116-82151-00-00 (FUSE (12V-10A)) Retail: $17.99 Price: $15.47
    Expected to Ship in 5-8 Days
  • 33
    2JN-82510-02-00 main switch assembly
    This part is currently unavailable.
  • 34
    29U-83585-10-00 label
    This part is currently unavailable.
  • 35
    24W-83530-10-00 pilot light assy FOR NEUTRAL Supersedes: 24W-83530-00-00 (PILOT LIGHT ASSY) Retail: $37.99 Price: $32.67
    Expected to Ship in 5-8 Days
  • 36
    123-83516-21-XX bulb (12v-3.4w) Supersedes: 123-83516-21-00 (BULB, (12V-3. 4W))
    This part is currently unavailable.
  • 37
    24W-83585-20-00 label
    This part is currently unavailable.
Added to your cart
CLOSE