Tire Rebates! Get Up To $70 Back Shop Now
CLOSE
Shipping to US Flag United States
Free shipping over $79
My Ride: 2017 Can-Am OUTLANDER MAX 450 DPS
Moto Madness Sale | Get Up To 65% Off Parts & Gear Shop Now

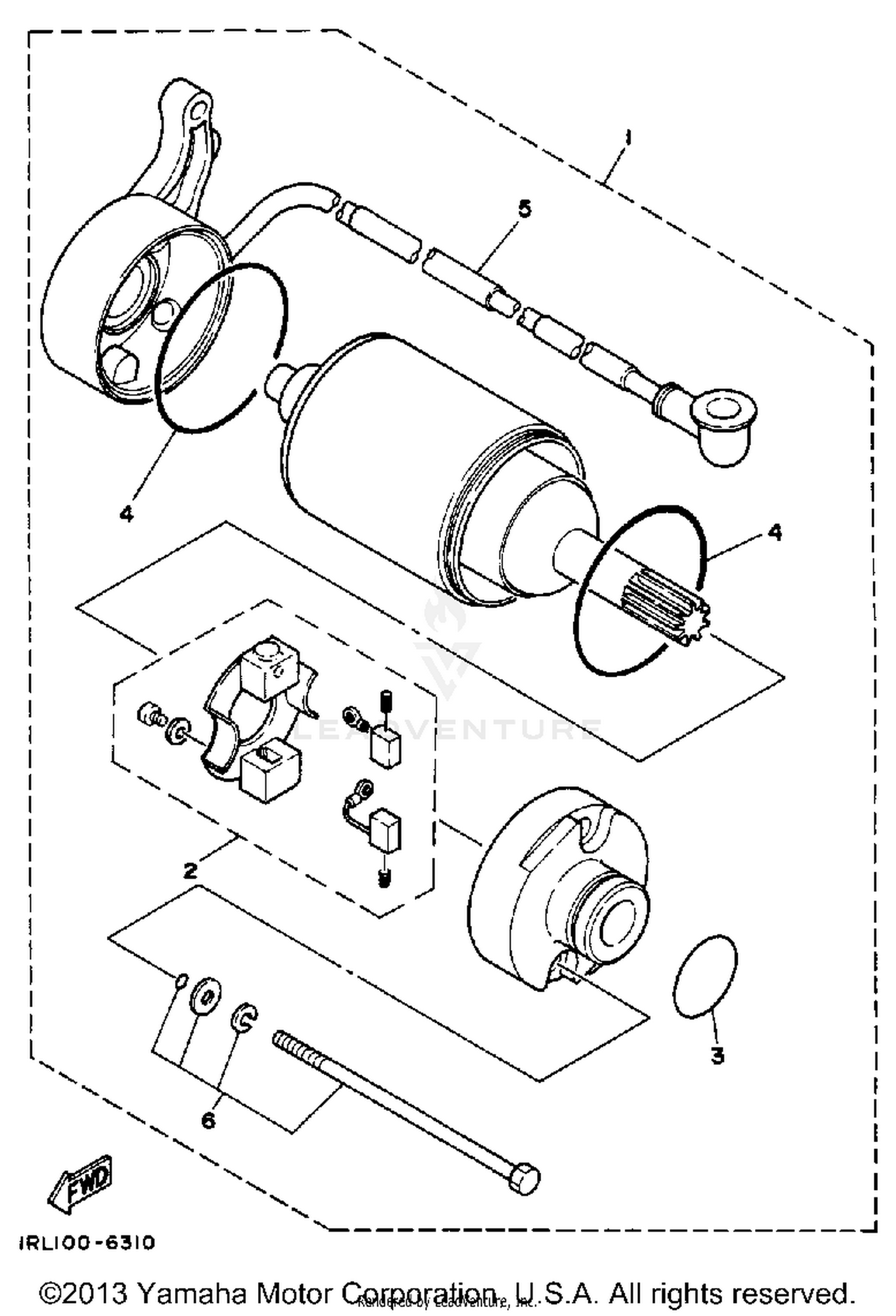
1988 Yamaha BW200 ELECTRIC START STARTING MOTOR

Set this as my ride
STARTING MOTOR

WARNING Cancer and Reproductive Harm www.P65Warnings.ca.gov.

  • # Part Retail Our Price
    Stock Status Suggested Quantity
  • 1
    2JX-81890-08-00 motor assy Supersedes: 1RL-81800-M0-00 (STARTING MOTOR ASSEMBLYASSY) Retail: $305.99 Price: $241.73
    Expected to Ship in 5-8 Days
  • 2
    3C5-81801-00-00 brush set Supersedes: 50M-81801-M0-00 (BRUSH SET) Retail: $25.99 Price: $22.35
    Expected to Ship in 5-8 Days
  • 3
    93210-25711-00 o-ring Supersedes: 4FP-H182L-00-00 (O-RING) Price: $9.76
    Expected to Ship in 5-8 Days
  • 4
    In Stock
  • 5
    2JX-8183G-11-00 cord comp. Supersedes: 2JX-8183G-M0-00 (CORD COMP.) Retail: $35.99 Price: $30.95
    Expected to Ship in 5-8 Days
  • 6
    1RL-81828-M0-00 bolt 2
    This part is currently unavailable.
Added to your cart
CLOSE