Kickstart your Riding Season with Bike Prep and Riding Gear Shop Now
CLOSE
Shipping to US Flag United States
Free shipping over $79
Moto Madness Sale | Get Up To 65% Off Parts & Gear Shop Now

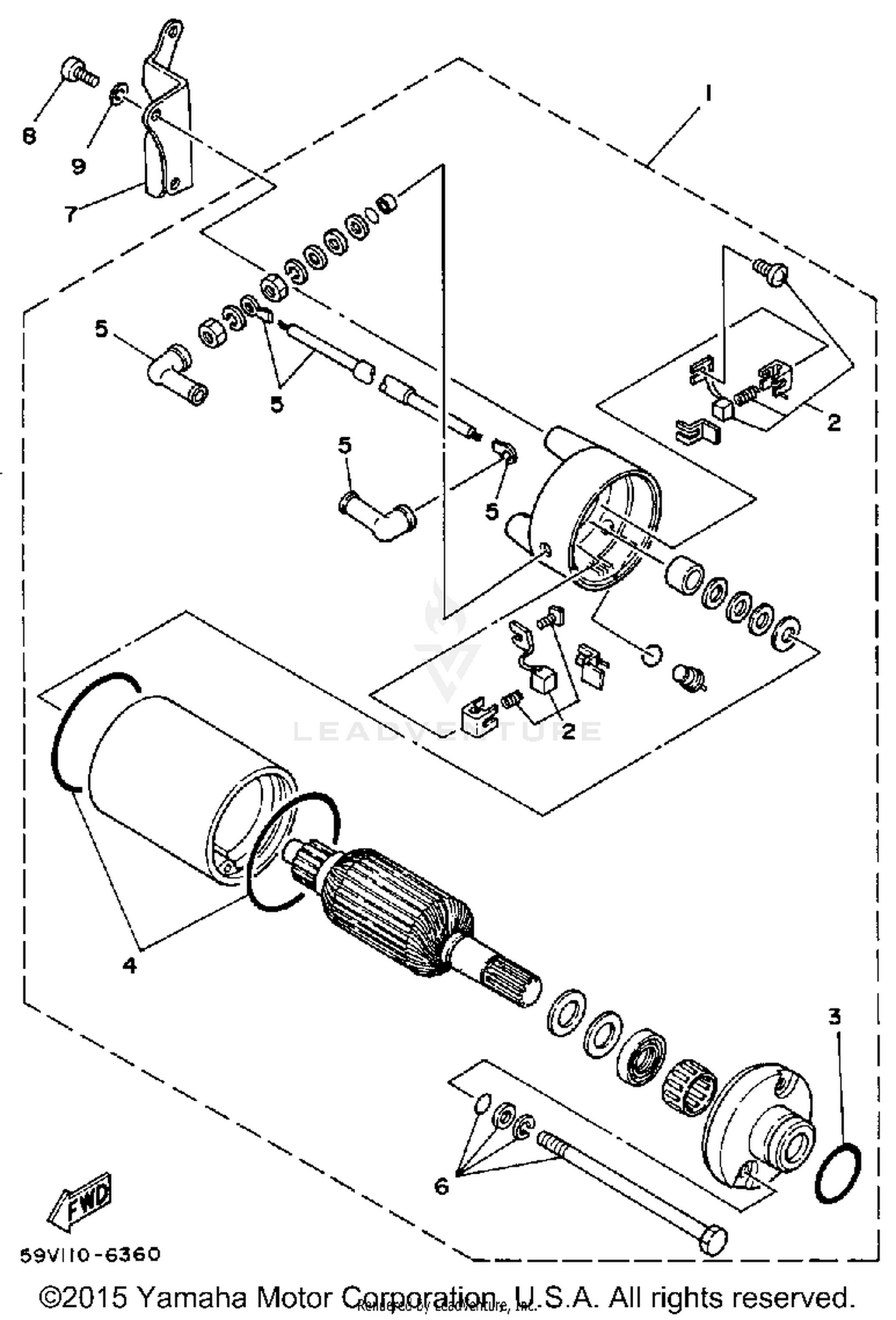
1987 Yamaha YFM225 MOTO-4 STARTING MOTOR

Set this as my ride
STARTING MOTOR

WARNING Cancer and Reproductive Harm www.P65Warnings.ca.gov.

  • # Part Retail Our Price
    Stock Status Suggested Quantity
  • 1
    59V-81890-00-00 starting motor assy Supersedes: 59V-81800-00-00 (STARTING MOTOR ASSEMBLY) Retail: $324.99 Price: $260.39
    In Stock
  • 2
    3C5-81801-00-00 brush set Supersedes: 50M-81801-M0-00 (BRUSH SET) Retail: $25.99 Price: $22.35
    Expected to Ship in 5-8 Days
  • 3
    93210-25711-00 o-ring Supersedes: 4FP-H182L-00-00 (O-RING) Price: $9.76
    Expected to Ship in 5-8 Days
  • 4
    In Stock
  • 5
    59V-8183G-M0-00 cord comp.
    This part is currently unavailable.
  • 6
    59V-81828-M0-00 screw set Retail: $17.99 Price: $15.47
    Expected to Ship in 5-8 Days
  • 7
    24W-81823-00-00 stay, starting motor
    This part is currently unavailable.
  • 8
    98507-06014-00 screw, pan head Supersedes: 98503-06016-00 (SCREW, PAN HEAD) Price: $10.91
    Expected to Ship in 5-8 Days
  • 9
    92995-06100-00 washer, spring Supersedes: 92990-06100-00 (WASHER, WAVE) Price: $3.97
    Expected to Ship in 5-8 Days
Added to your cart
CLOSE