Get Out and Ride | Dialed Gear. Tuned Parts. Dirt Ready. Shop Now
CLOSE
Shipping to US Flag United States
Free shipping over $79
My Ride: 2015 KTM 500EXC
Bargain Bin | Save 40% to 90% off Some of our steepest gear and casual discounts Shop Now

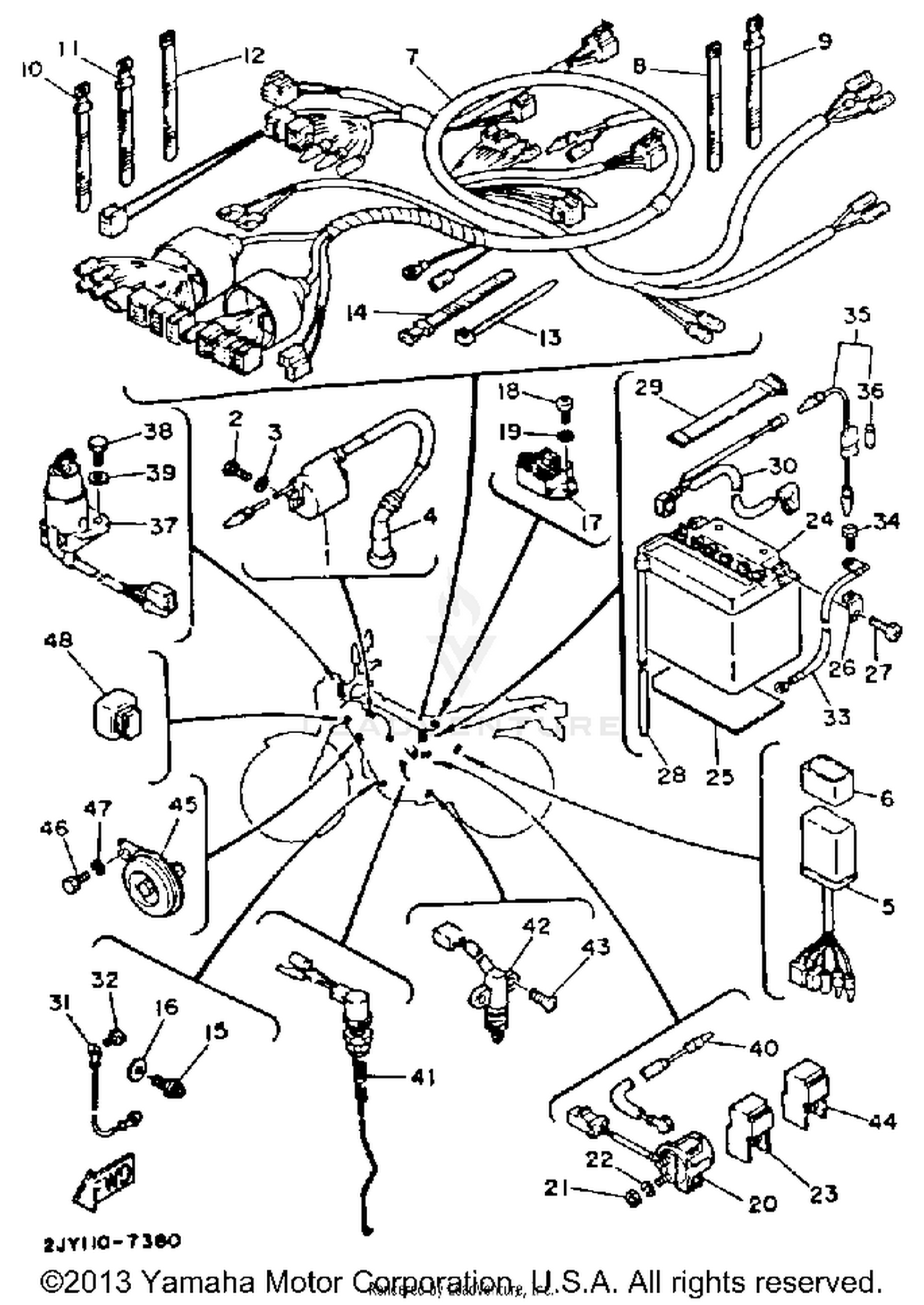
1987 Yamaha TW200 ELECTRICAL 1

Set this as my ride
ELECTRICAL 1

WARNING Cancer and Reproductive Harm www.P65Warnings.ca.gov.

Added to your cart
CLOSE