Tire Rebates! Get Up To $70 Back Shop Now
CLOSE
Shipping to US Flag United States
Free shipping over $79
Moto Madness Sale | Get Up To 65% Off Parts & Gear Shop Now

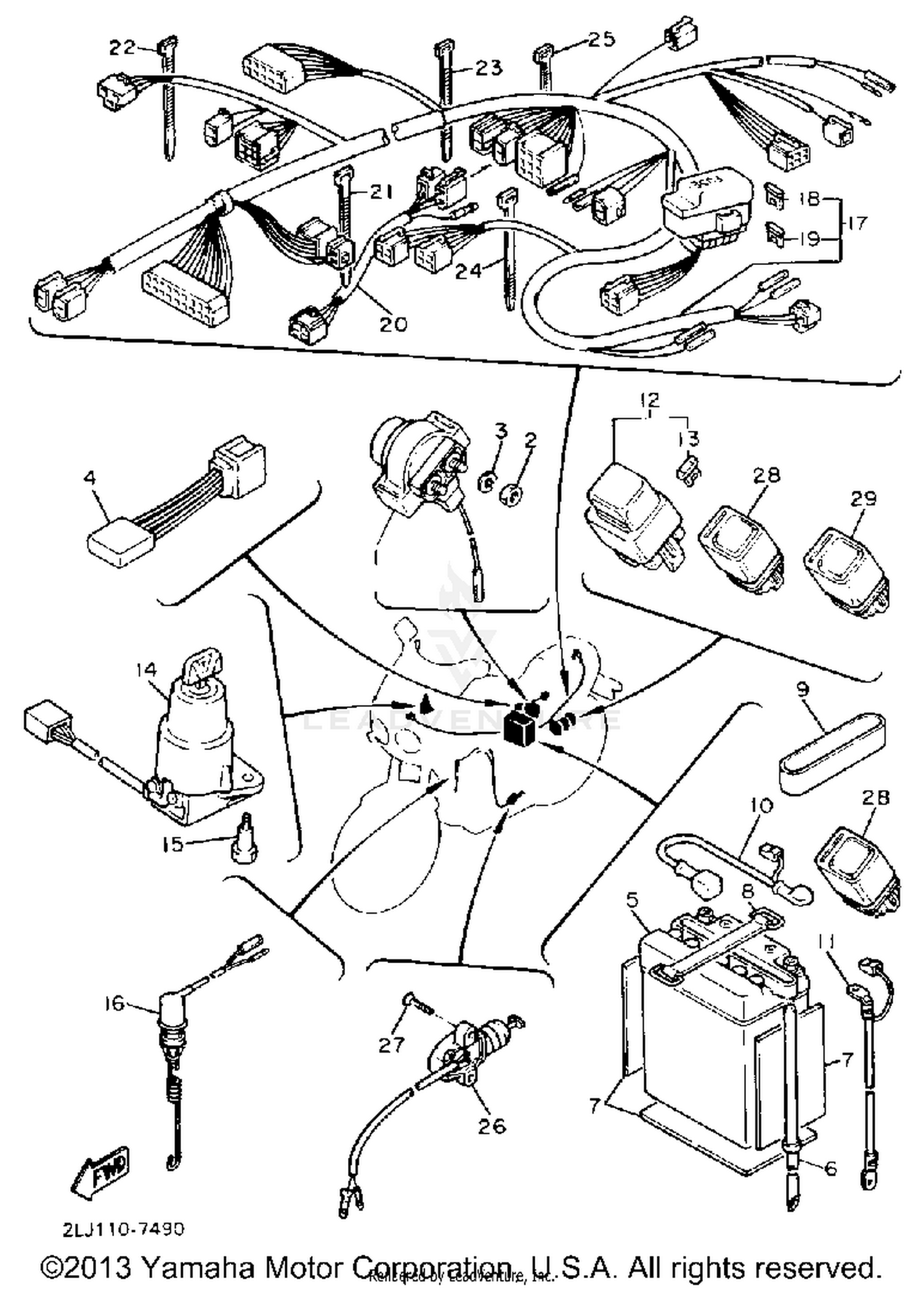
1987 Yamaha FZR1000T ELECTRICAL 2 CALIFORNIA MODEL ONLY

Set this as my ride
ELECTRICAL 2 CALIFORNIA MODEL ONLY

WARNING Cancer and Reproductive Harm www.P65Warnings.ca.gov.

Added to your cart
CLOSE