One Day Only! FREE 2-Day Shipping on Orders Over $99 with code RIDEOFF Shop Now
CLOSE
Shipping to US Flag United States
Free shipping over $79
Fast Cash Week | Earn $25 Fast Cash When You Spend $199 Learn More

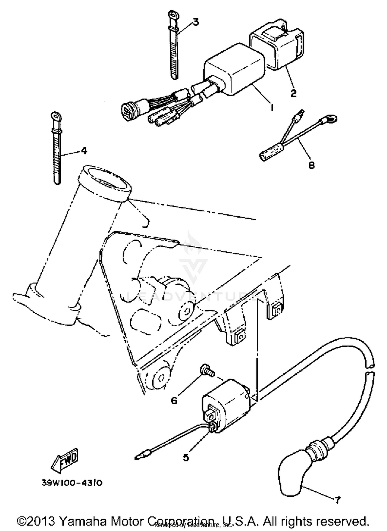
1985 Yamaha YZ125 ELECTRICAL 1

Set this as my ride
ELECTRICAL 1

WARNING Cancer and Reproductive Harm www.P65Warnings.ca.gov.

  • # Part Retail Our Price
    Stock Status Suggested Quantity
  • 1
    55Y-85540-10-00 cdi unit assembly
    This part is currently unavailable.
  • 2
    2A7-85546-00-00 band Retail: $25.99 Price: $22.35
    In Stock
  • 3
    25G-83936-01-00 band, switch cord Supersedes: 90464-12045-00 (CLAMP) Price: $6.31
    Expected to Ship in 5-8 Days
  • 4
    437-83936-11-00 band, switch cord Supersedes: 90465-13M24-00 (BAND, SWITCH CORD) Price: $5.75
    In Stock
  • 5
    22W-82310-10-00 ignition coil assembly Supersedes: 24X-82310-10-00 (IGNITION COIL ASSEMBLY)
    This part is currently unavailable.
  • 6
    98507-06014-00 screw, pan head Supersedes: 98503-06016-00 (SCREW, PAN HEAD) Price: $10.91
    Expected to Ship in 5-8 Days
  • 7
    8DG-82370-00-00 plug cap assy U.R. Supersedes: 4JY-82370-00-00 (PLUG CAP ASSY) Retail: $53.99 Price: $43.73
    Expected to Ship in 5-8 Days
  • 8
    5X1-82519-01-00 wire, earth lead
    This part is currently unavailable.
Added to your cart
CLOSE