Get Out and Ride | Dialed Gear. Tuned Parts. Dirt Ready. Shop Now
CLOSE
Shipping to US Flag United States
Free shipping over $79
BOGOS | Buy One Get One Deals Shop Now

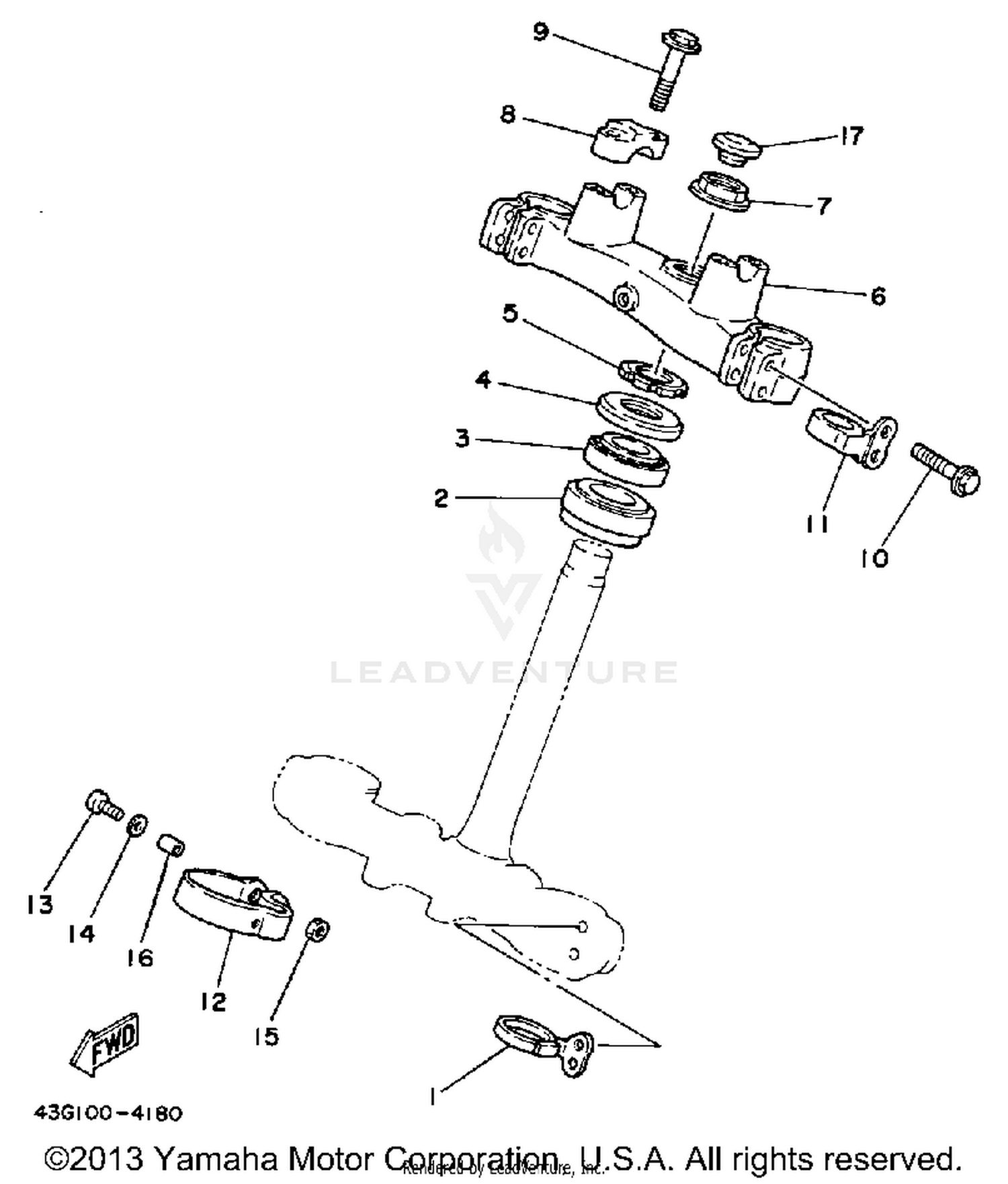
1985 Yamaha IT200 STEERING

Set this as my ride
STEERING

WARNING Cancer and Reproductive Harm www.P65Warnings.ca.gov.

  • # Part Retail Our Price
    Stock Status Suggested Quantity
  • 1
    3R4-23389-00-00 guide, cable Retail: $32.99 Price: $28.37
    In Stock
  • 2
    93332-00008-00 bearing Supersedes: 93332-000Y5-00 (BEARING) Retail: $73.99 Price: $59.93
    In Stock
  • 3
    93332-00001-00 bearing Retail: $63.99 Price: $51.83
    Expected to Ship in 5-8 Days
  • 4
    1W1-23416-00-00 cover, ball race 2 Supersedes: 3HE-23416-00-00 (BOLT, STUD) Retail: $32.99 Price: $28.37
    Expected to Ship in 5-8 Days
  • 5
    90179-25004-00 nut Supersedes: 90179-25495-00 (NUT) Retail: $26.99 Price: $23.21
    Expected to Ship in 5-8 Days
  • 6
    39W-23435-01-98 crown, handle LOW GLOSS BLK Retail: $143.99 Price: $115.19
    Expected to Ship in 5-8 Days
  • 7
    90179-22330-00 nut
    This part is currently unavailable.
  • 8
    1E6-23441-00-00 holder, handle upper Supersedes: 8K1-23814-00-00 (HOLDER, HANDLE UPPER) Retail: $30.99 Price: $26.65
    Expected to Ship in 5-8 Days
  • 9
    95817-08035-00 bolt, flange Supersedes: 90105-08311-00 (BOLT, FLANGE) Retail: $10.49 Price: $9.02
    Expected to Ship in 5-8 Days
  • 10
    95814-08040-00 bolt, flange Supersedes: 1AE-23128-00-00 (BOLT, FLANGE) Price: $6.31
    In Stock
  • 11
    3R4-23317-00-00 holder, cable Retail: $38.99 Price: $33.53
    Expected to Ship in 5-8 Days
  • 12
    26A-23318-00-00 holder, cable 1 Retail: $42.99 Price: $36.97
    Expected to Ship in 5-8 Days
  • 13
    98517-05030-00 screw, pan head Supersedes: 98506-05030-00 (SCREW, PAN HEAD) Retail: $11.49 Price: $9.88
    In Stock
  • 14
    92990-05600-00 washer, plate Supersedes: 92902-05600-00 (WASHER, PLATE)
    This part is currently unavailable.
  • 15
    95380-05600-00 nut Supersedes: 98802-05100-00 (NUT)
    This part is currently unavailable.
  • 16
    90387-06M14-00 collar Supersedes: 90387-061G2-00 (COLLAR) Price: $7.07
    Expected to Ship in 5-8 Days
  • 17
    34K-2319U-00-00 cap
    This part is currently unavailable.
Added to your cart
CLOSE