One Day Only! FREE 2-Day Shipping on Orders Over $99 with code RIDEOFF Shop Now
CLOSE
Shipping to US Flag United States
Free shipping over $79
Fast Cash Week | Earn $25 Fast Cash When You Spend $199 Learn More

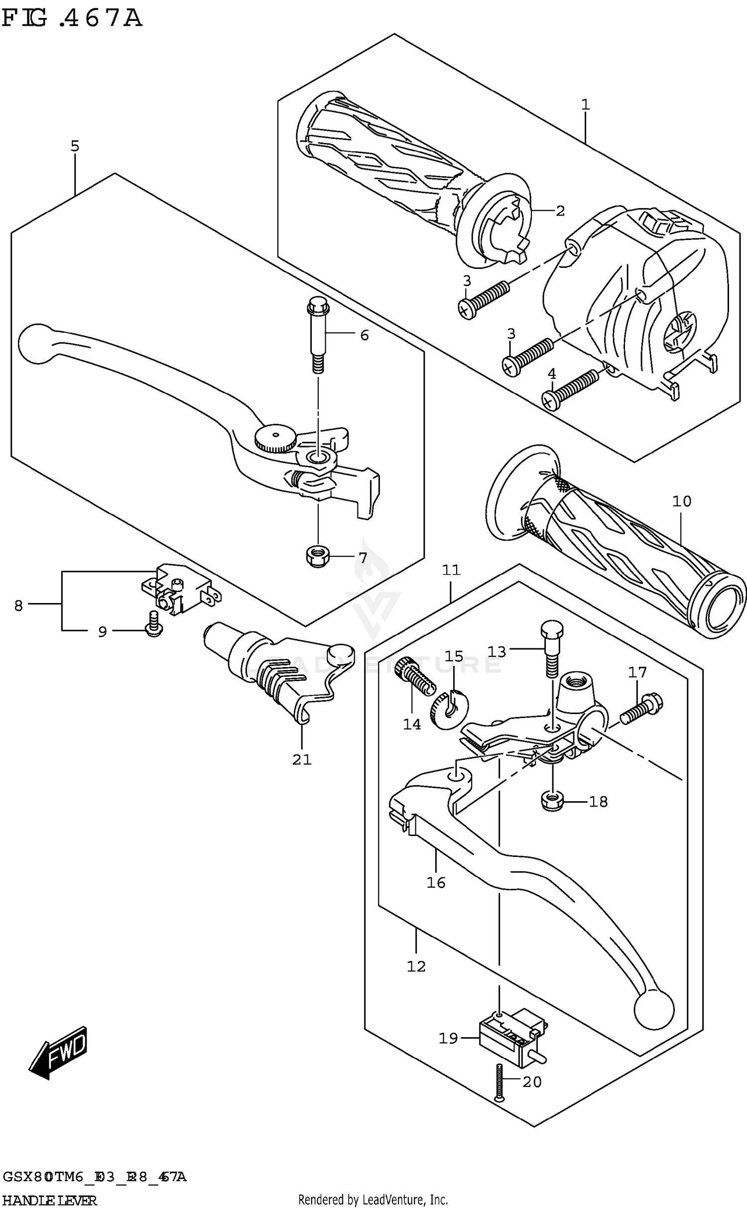
2026 Suzuki GSX800TR HANDLE LEVER

Set this as my ride
HANDLE LEVER

WARNING Cancer and Reproductive Harm www.P65Warnings.ca.gov.

All 2026 Suzuki GSX800TR Part Groups
Added to your cart
CLOSE