Renthal Deal! Up To 10% Off Shop Now
CLOSE
Shipping to US Flag United States
Free shipping over $79
Moto Madness Sale | Get Up To 65% Off Parts & Gear Shop Now

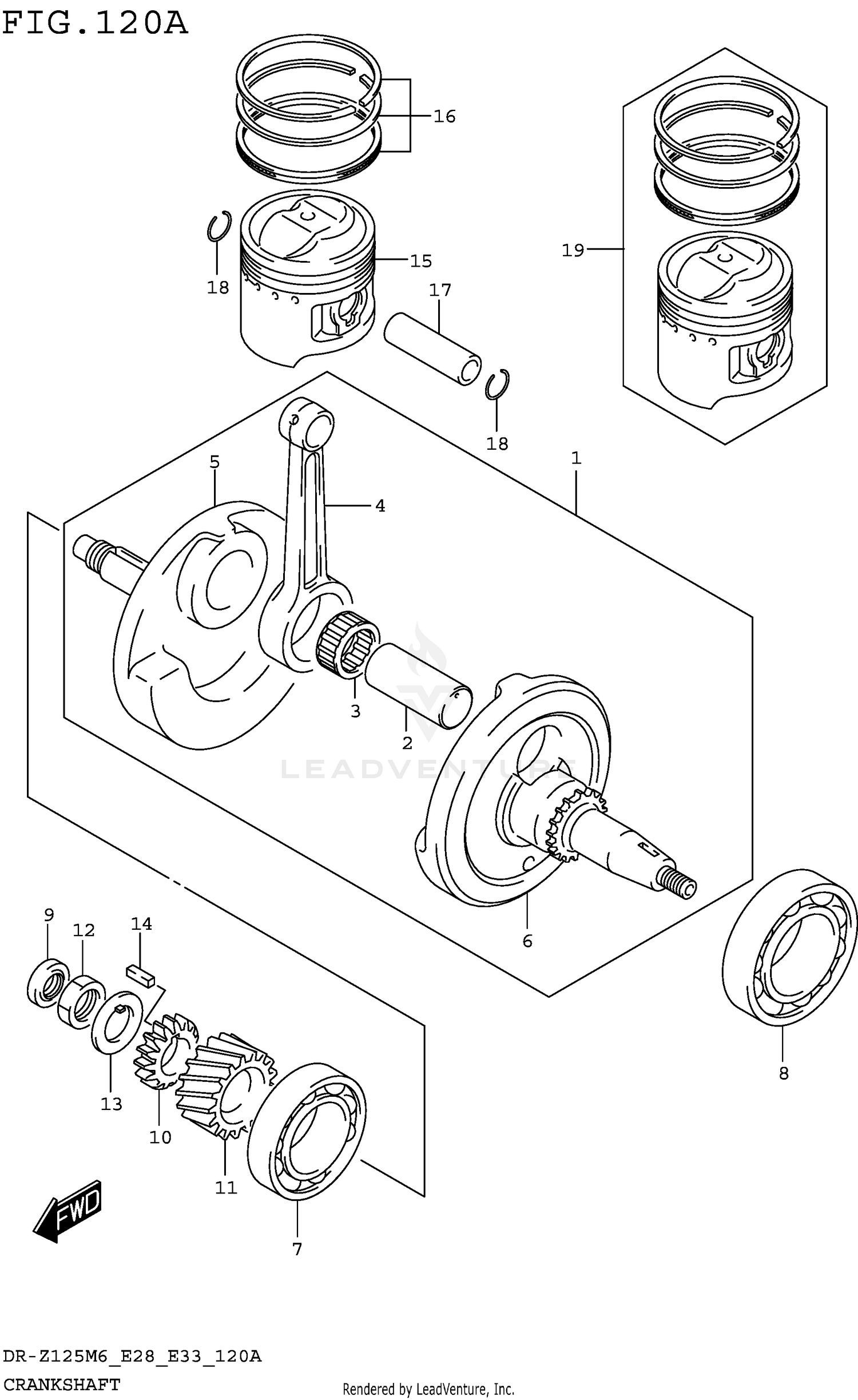
2026 Suzuki DRZ125L CRANKSHAFT

Set this as my ride
CRANKSHAFT

WARNING Cancer and Reproductive Harm www.P65Warnings.ca.gov.

Added to your cart
CLOSE