LUCKY YOU! Extra 10% Off Clearance | Use Code POTOGOLD10 Limited Time! Ends 3/21 Shop Now
CLOSE
Shipping to US Flag United States
Free shipping over $79
Moto Madness Sale | Get Up To 65% Off Parts & Gear Shop Now

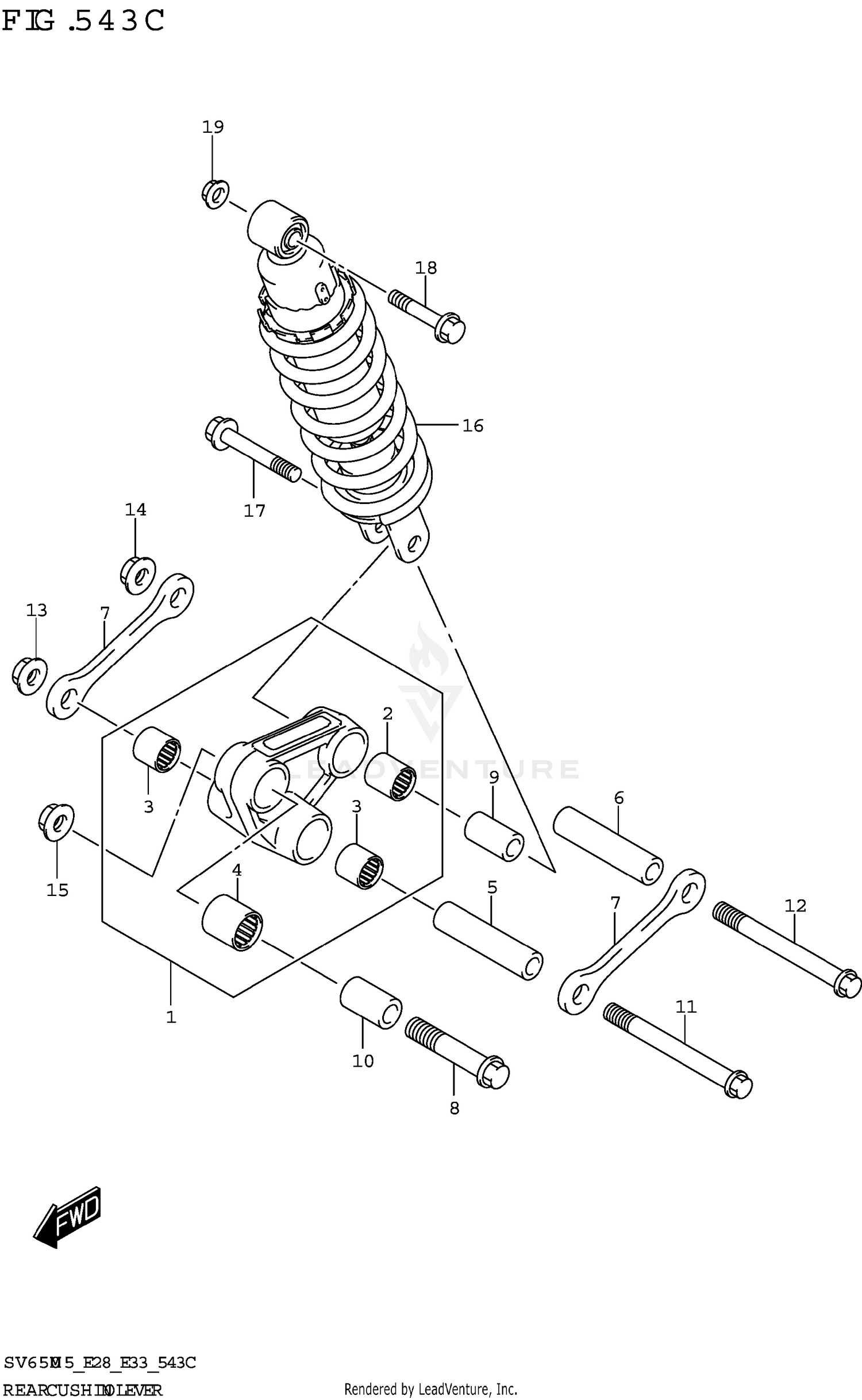
2025 Suzuki SV650A REAR CUSHION LEVER (SV650A)

Set this as my ride
REAR CUSHION LEVER (SV650A)

WARNING Cancer and Reproductive Harm www.P65Warnings.ca.gov.

All 2025 Suzuki SV650A Part Groups
Added to your cart
CLOSE