Kickstart your Riding Season with Bike Prep and Riding Gear Shop Now
CLOSE
Shipping to US Flag United States
Free shipping over $79
Moto Madness Sale | Get Up To 65% Off Parts & Gear Shop Now

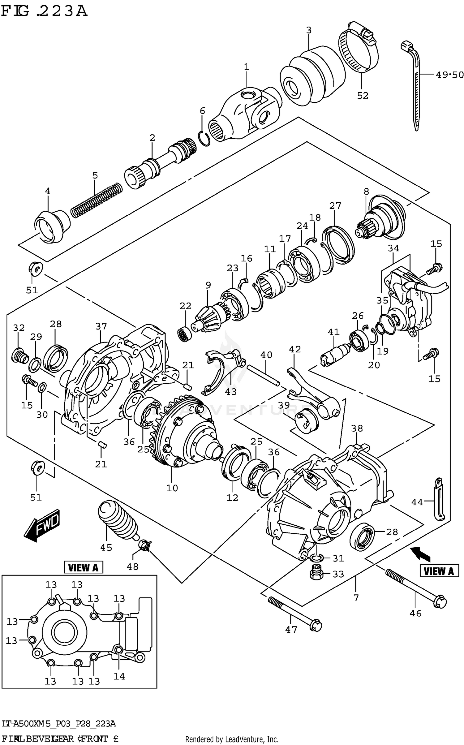
2025 Suzuki KING QUAD 500 X FINAL BEVEL GEAR (FRONT)

Set this as my ride
FINAL BEVEL GEAR (FRONT)

WARNING Cancer and Reproductive Harm www.P65Warnings.ca.gov.

All 2025 Suzuki KING QUAD 500 X Part Groups
Added to your cart
CLOSE