Kickstart your Riding Season with Bike Prep and Riding Gear Shop Now
CLOSE
Shipping to US Flag United States
Free shipping over $79
My Ride: 2017 Can-Am OUTLANDER MAX 570
Moto Madness Sale | Get Up To 65% Off Parts & Gear Shop Now

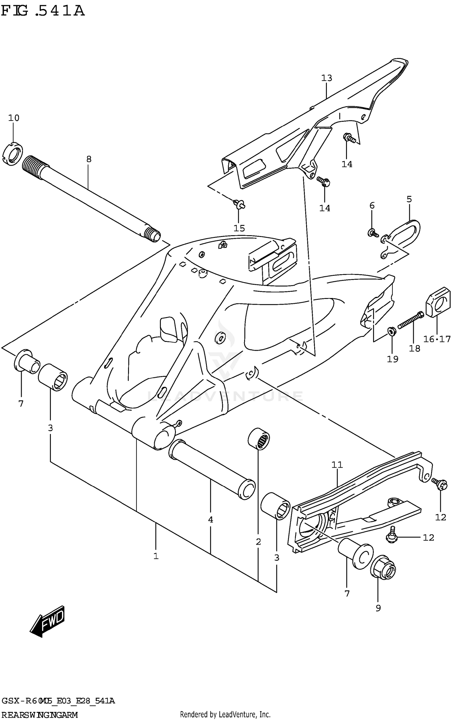
2025 Suzuki GSXR600M REAR SWINGINGARM

Set this as my ride
REAR SWINGINGARM

WARNING Cancer and Reproductive Harm www.P65Warnings.ca.gov.

Added to your cart
CLOSE