Tire Rebates! Get Up To $70 Back Shop Now
CLOSE
Shipping to US Flag United States
Free shipping over $79
Moto Madness Sale | Get Up To 65% Off Parts & Gear Shop Now

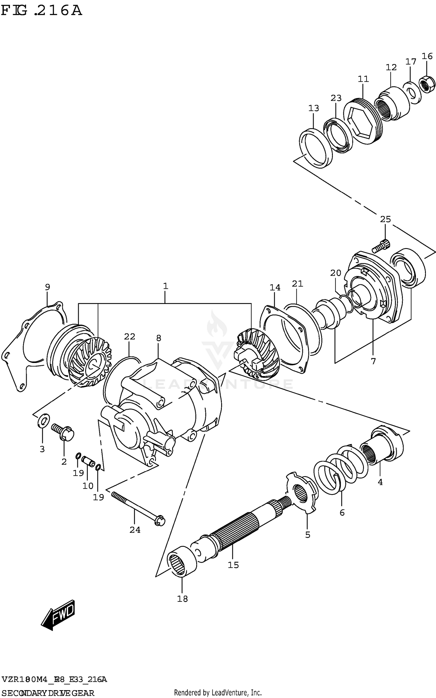
2024 Suzuki VZR1800 SECONDARY DRIVE GEAR

Set this as my ride
SECONDARY DRIVE GEAR

WARNING Cancer and Reproductive Harm www.P65Warnings.ca.gov.

All 2024 Suzuki VZR1800 Part Groups
Added to your cart
CLOSE