Kickstart your Riding Season with Bike Prep and Riding Gear Shop Now
CLOSE
Shipping to US Flag United States
Free shipping over $79
Moto Madness Sale | Get Up To 65% Off Parts & Gear Shop Now

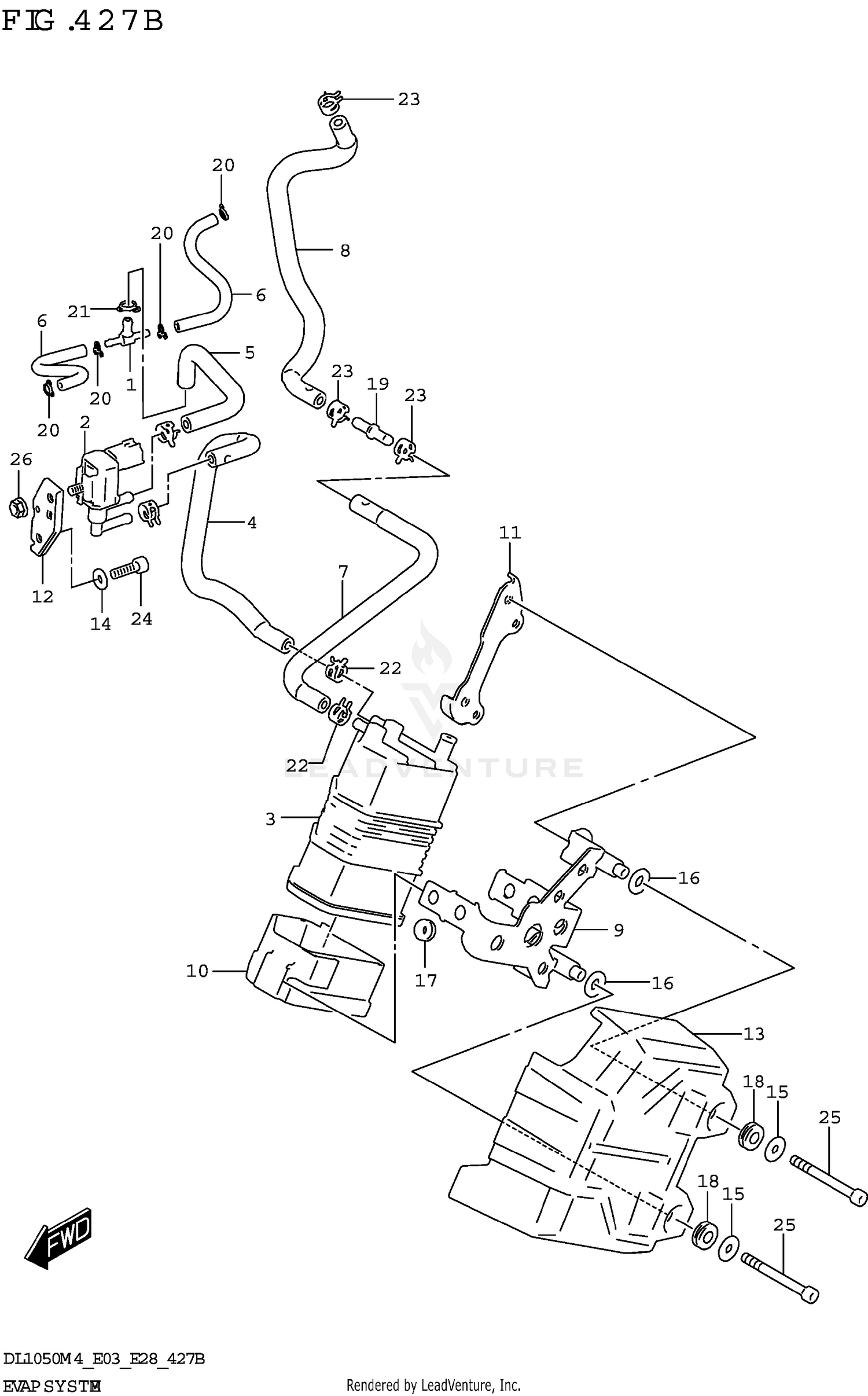
2024 Suzuki V-STROM - DL1050RR EVAP SYSTEM

Set this as my ride
EVAP SYSTEM

WARNING Cancer and Reproductive Harm www.P65Warnings.ca.gov.

All 2024 Suzuki V-STROM - DL1050RR Part Groups
Added to your cart
CLOSE