BOGOS | Buy One Get One Deals Shop Now
CLOSE
Shipping to US Flag United States
Free shipping over $79
My Ride: 1999 Honda Shadow VLX - VT600C
Fast Cash Week | Earn $25 Fast Cash When You Spend $199 Learn More

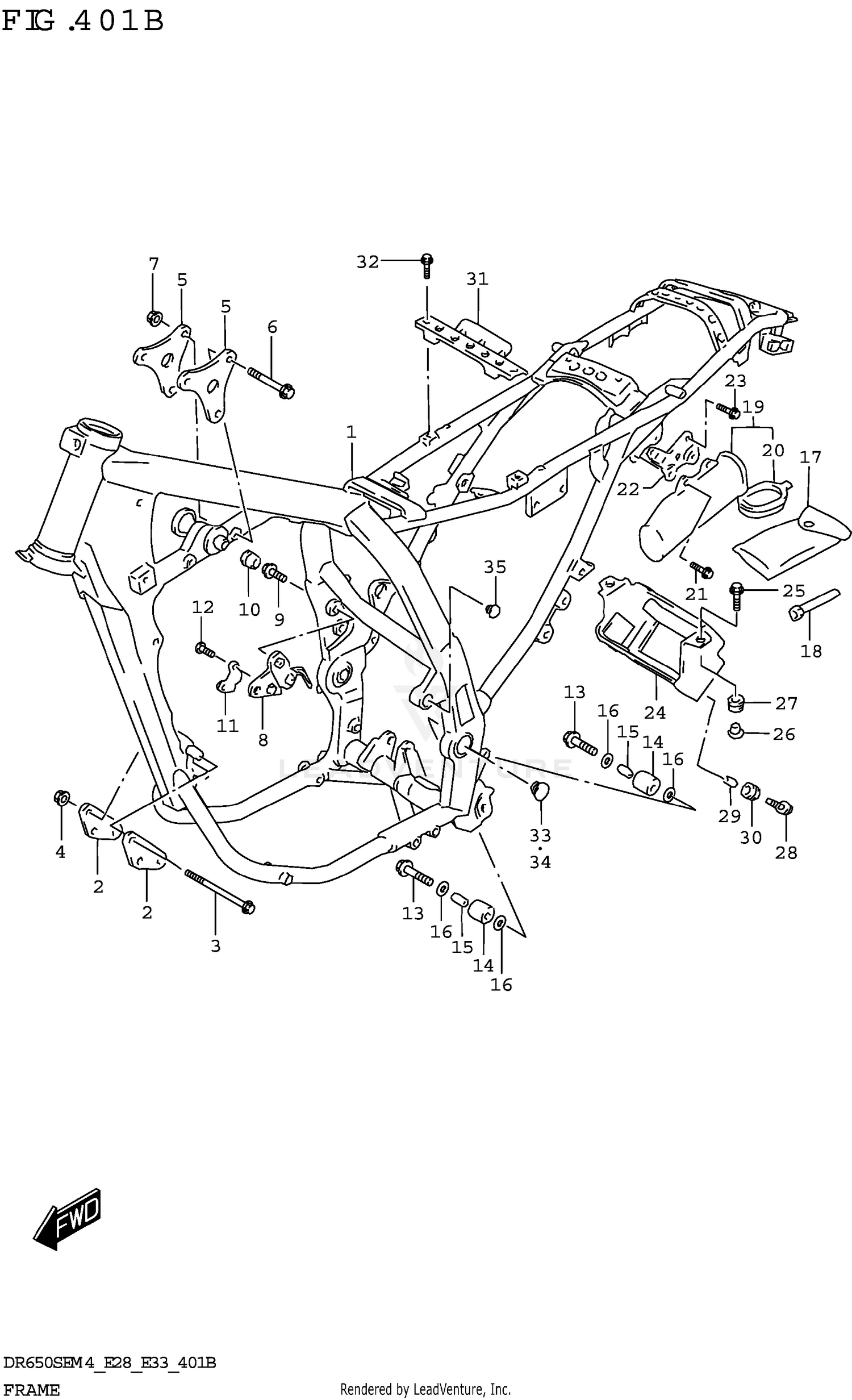
2024 Suzuki DR650S FRAME (E33)

Set this as my ride
FRAME (E33)

WARNING Cancer and Reproductive Harm www.P65Warnings.ca.gov.

Added to your cart
CLOSE