BOGOS End Today! | Buy One Get One Deals Shop Now
CLOSE
Shipping to US Flag United States
Free shipping over $79
My Ride: 2016 Harley Davidson Dyna Street Bob - FXDB
Fast Cash Week Ends Today! | Earn $25 Fast Cash When You Spend $199 Learn More

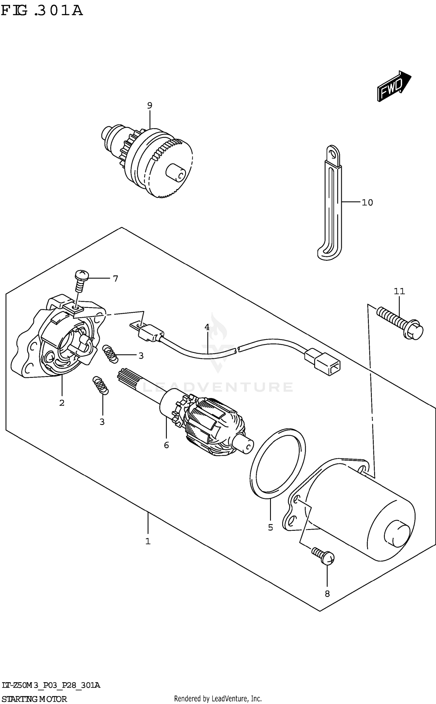
2023 Suzuki LTZ50 STARTING MOTOR

Set this as my ride
STARTING MOTOR

WARNING Cancer and Reproductive Harm www.P65Warnings.ca.gov.

Added to your cart
CLOSE