LUCKY YOU! Extra 10% Off Clearance | Use Code POTOGOLD10 Limited Time! Ends 3/21 Shop Now
CLOSE
Shipping to US Flag United States
Free shipping over $79
Moto Madness Sale | Get Up To 65% Off Parts & Gear Shop Now

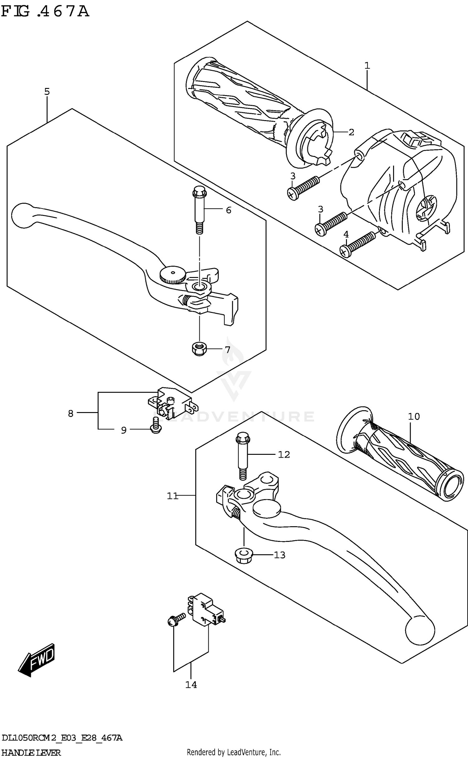
2022 Suzuki V-STROM - DL1050R HANDLE LEVER (DL1050RC)

Set this as my ride
HANDLE LEVER (DL1050RC)

WARNING Cancer and Reproductive Harm www.P65Warnings.ca.gov.

All 2022 Suzuki V-STROM - DL1050R Part Groups
Added to your cart
CLOSE