HOT DEAL! 100% | Up To 40% Off Shop Now
CLOSE
Shipping to US Flag United States
Free shipping over $79
My Ride: 2003 Honda Shadow Spirit 750 - VT750DC
Spring Sale Bargain Bin Save 40% - 90% Off! Shop Now

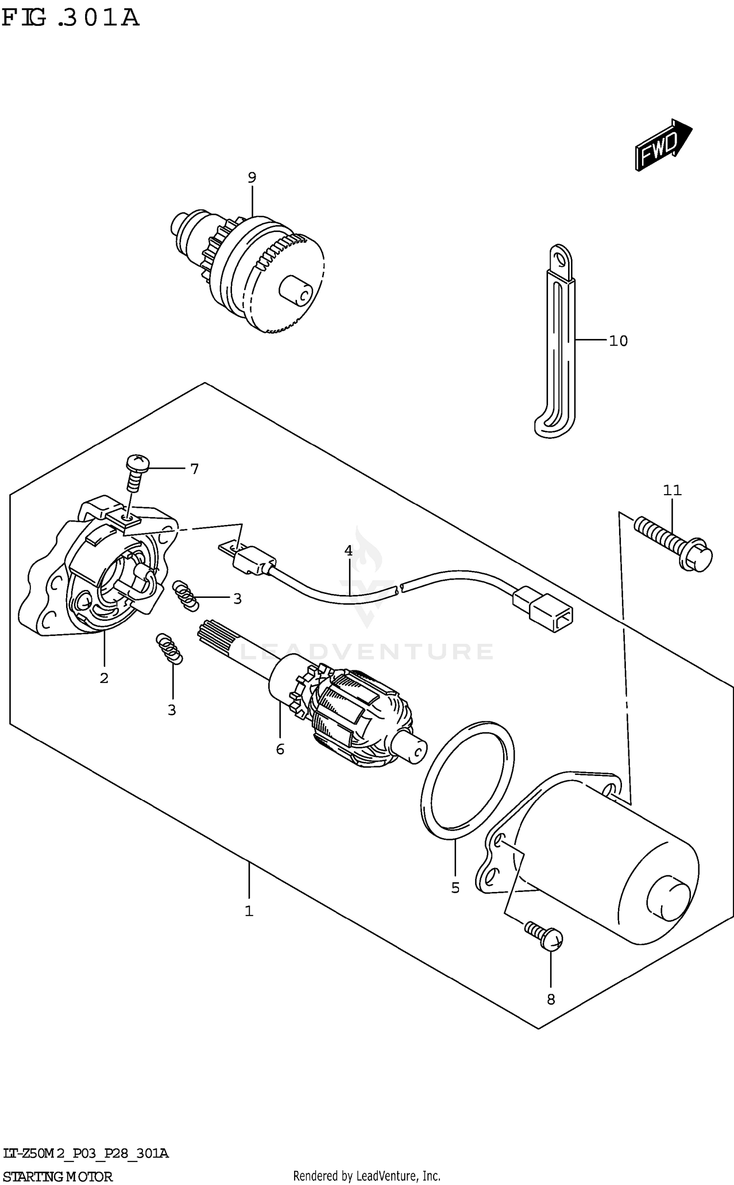
2022 Suzuki LTZ50 STARTING MOTOR

Set this as my ride
STARTING MOTOR

WARNING Cancer and Reproductive Harm www.P65Warnings.ca.gov.

Added to your cart
CLOSE