Kickstart your Riding Season with Bike Prep and Riding Gear Shop Now
CLOSE
Shipping to US Flag United States
Free shipping over $79
Moto Madness Sale | Get Up To 65% Off Parts & Gear Shop Now

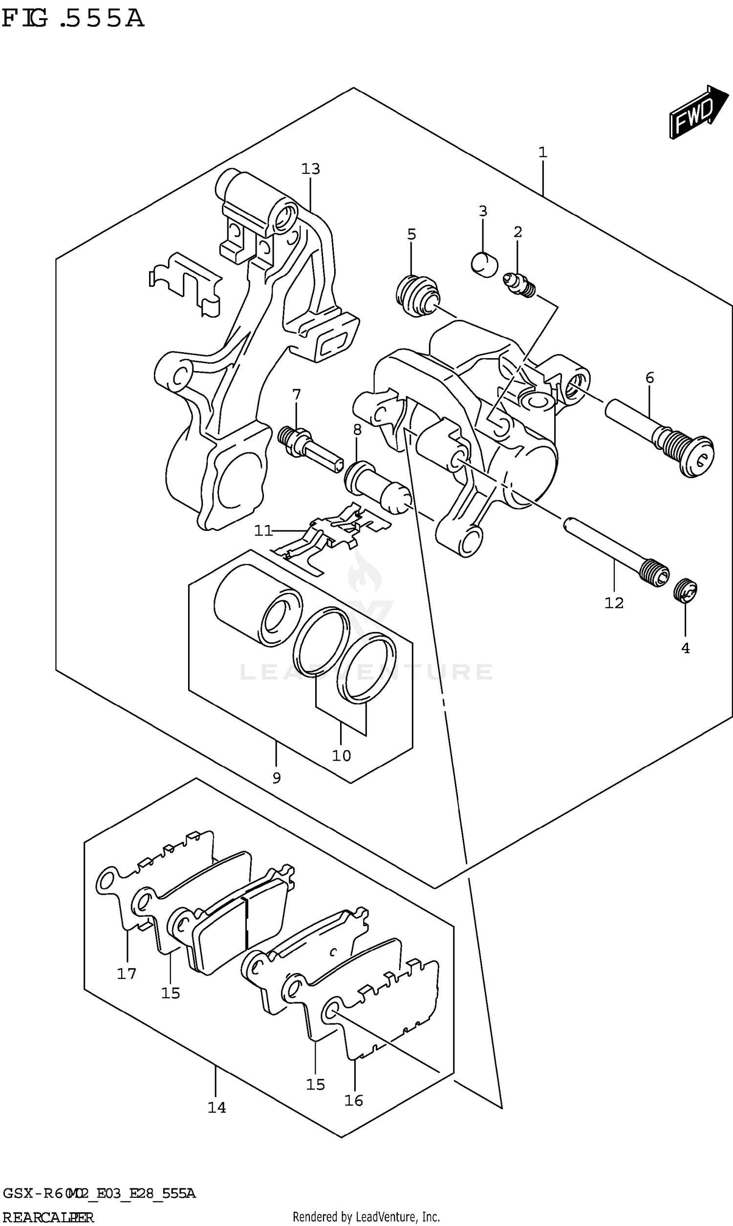
2022 Suzuki GSXR600 REAR CALIPER

Set this as my ride
REAR CALIPER

WARNING Cancer and Reproductive Harm www.P65Warnings.ca.gov.

All 2022 Suzuki GSXR600 Part Groups
Added to your cart
CLOSE