Tire Rebates! Get Up To $70 Back Shop Now
CLOSE
Shipping to US Flag United States
Free shipping over $79
My Ride: 2010 Yamaha Raider 1900 - XV19C
Moto Madness Sale | Get Up To 65% Off Parts & Gear Shop Now

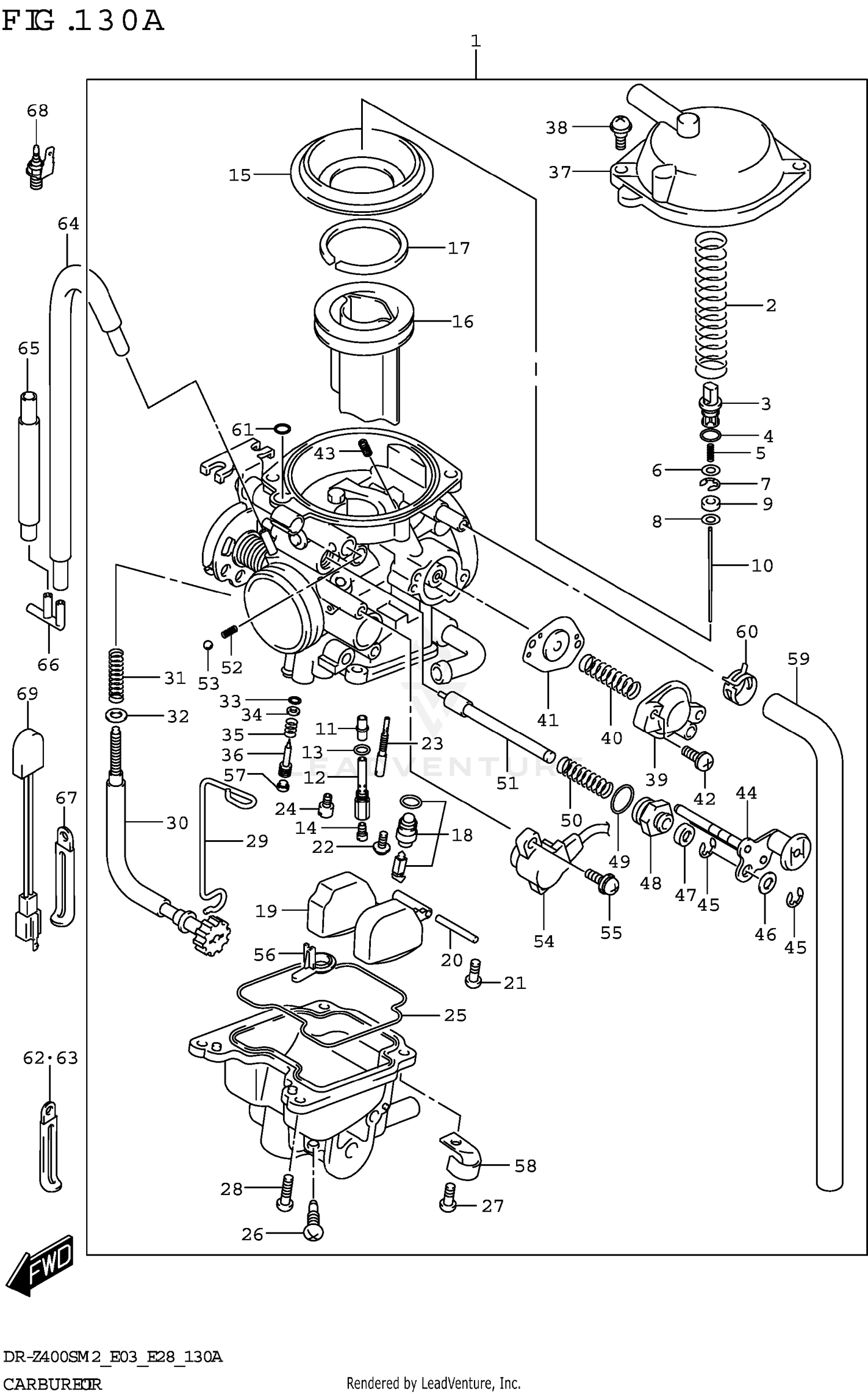
2022 Suzuki DRZ400SM CARBURETOR (E33)

Set this as my ride
CARBURETOR (E33)

WARNING Cancer and Reproductive Harm www.P65Warnings.ca.gov.

All 2022 Suzuki DRZ400SM Part Groups
Added to your cart
CLOSE