HOT DEAL! 100% | Up To 40% Off Shop Now
CLOSE
Shipping to US Flag United States
Free shipping over $79
My Ride: 2019 Textron PROWLER PRO
Spring Sale Bargain Bin Save 40% - 90% Off! Shop Now

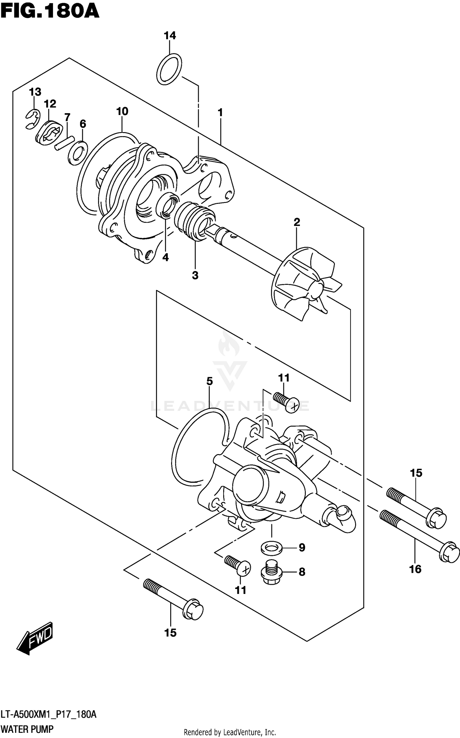
2021 Suzuki KING QUAD 500 XP WATER PUMP

Set this as my ride
WATER PUMP

WARNING Cancer and Reproductive Harm www.P65Warnings.ca.gov.

All 2021 Suzuki KING QUAD 500 XP Part Groups
Added to your cart
CLOSE