Kickstart your Riding Season with Bike Prep and Riding Gear Shop Now
CLOSE
Shipping to US Flag United States
Free shipping over $79
My Ride: 2020 Polaris RANGER XP 1000
Moto Madness Sale | Get Up To 65% Off Parts & Gear Shop Now

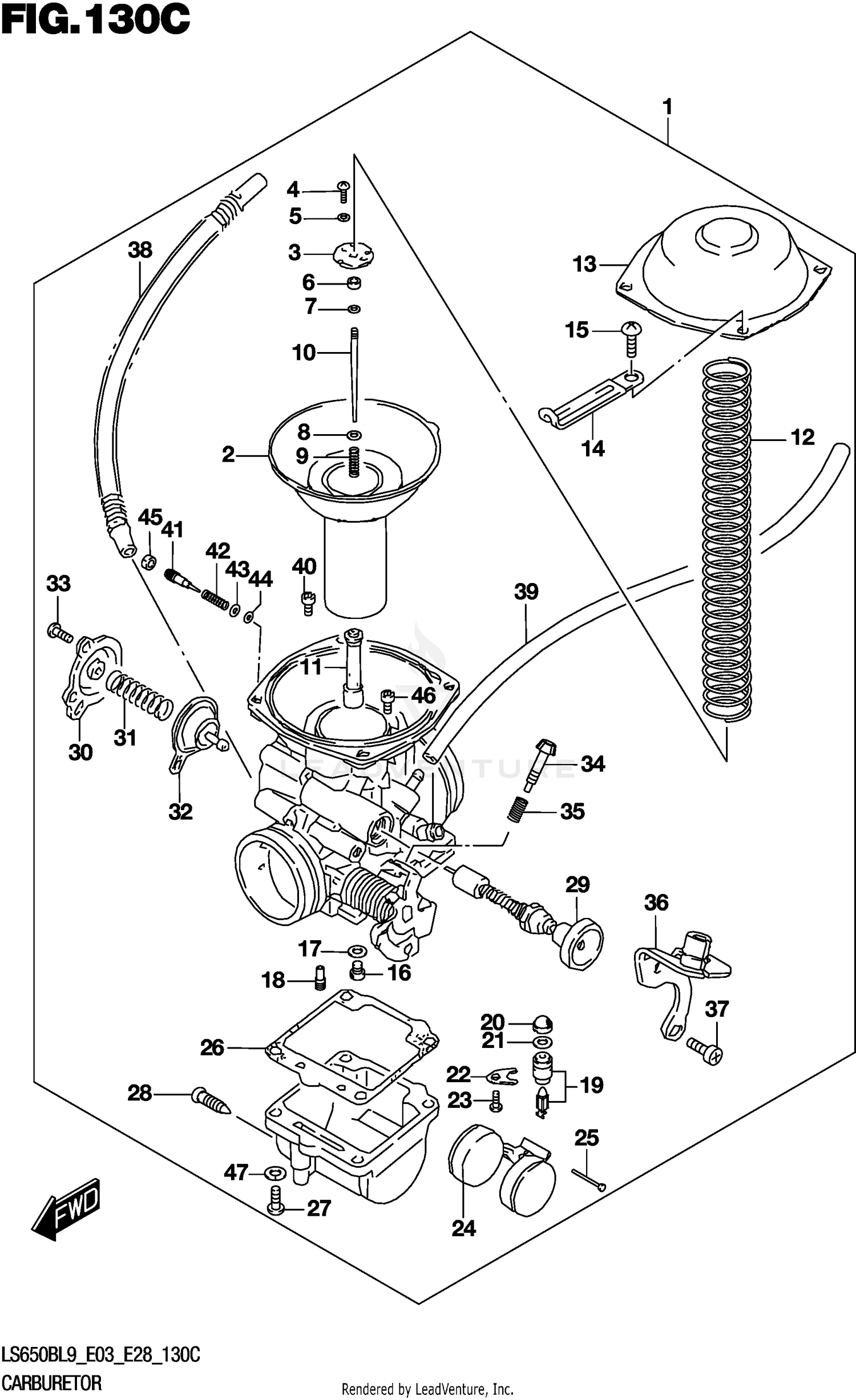
2019 Suzuki LS650B CARBURETOR (LS650BL9 E33)

Set this as my ride
CARBURETOR (LS650BL9 E33)

WARNING Cancer and Reproductive Harm www.P65Warnings.ca.gov.

Added to your cart
CLOSE