Kickstart your Riding Season with Bike Prep and Riding Gear Shop Now
CLOSE
Shipping to US Flag United States
Free shipping over $79
Moto Madness Sale | Get Up To 65% Off Parts & Gear Shop Now

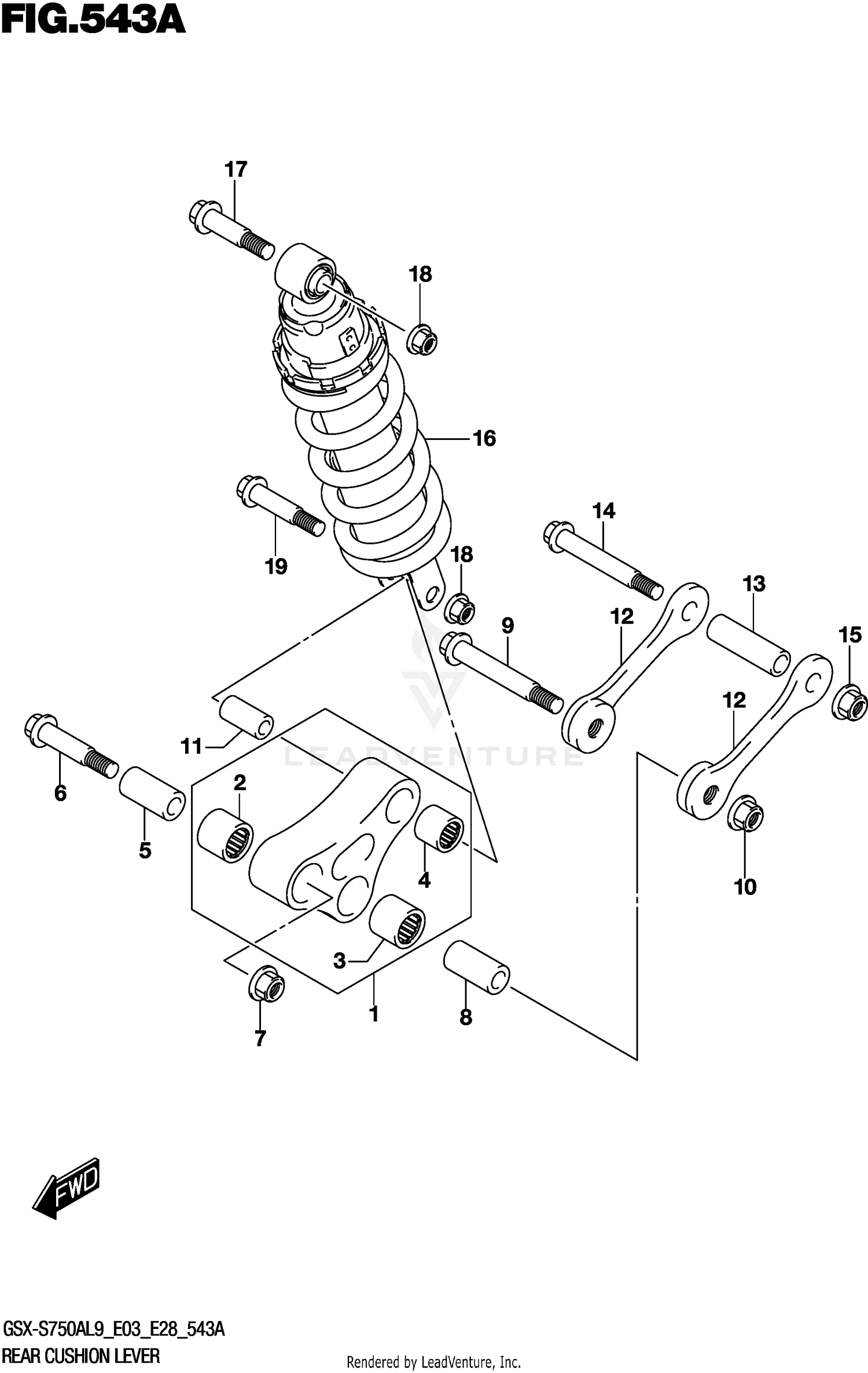
2019 Suzuki GSXS750A REAR CUSHION LEVER

Set this as my ride
REAR CUSHION LEVER

WARNING Cancer and Reproductive Harm www.P65Warnings.ca.gov.

All 2019 Suzuki GSXS750A Part Groups
Added to your cart
CLOSE